Curiosii for ever!: Car repair manuals for everyone.

Compressor Replacement


EXC. CUTLASS SUPREME, DEVILLE & ELDORADO (88-86), ELECTRA, FIERO, FLEETWOOD, GRAND PRIX, LESABRE, REATTA, REGAL, RIVIERA, SEVILLE, TORONADO, 88 & 98

Fig. 6 Compressor mounting. Cutlass Supreme Classic w/V6 engine:





1. Disconnect battery ground cable and discharge system refrigerant.
2. Disconnect hoses and electrical connectors from compressor.
3. Remove compressor drive belt.
4. Remove compressor.
5. Reverse procedure to install.

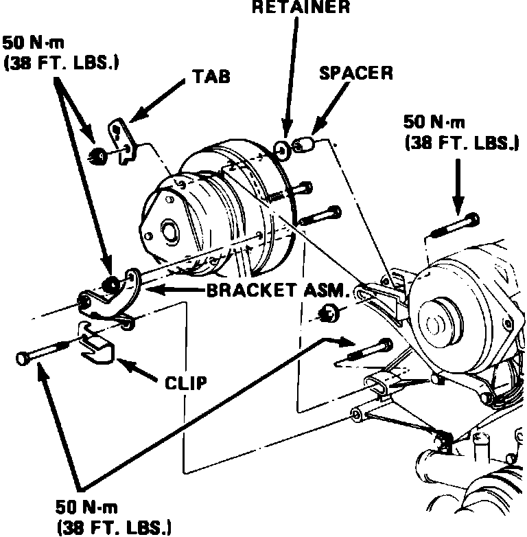
Fig. 16 Compressor mounting. Cutlass Supreme, Grand Prix & Regal:





CUTLASS SUPREME, GRAND PRIX & REGAL

1. Disconnect battery ground cable and discharge A/C system.
2. Remove drive belt from compressor.
3. Remove radiator overflow reservoir.
4. Disconnect A/C hose from compressor.
5. Disconnect compressor electrical connectors.
6. Remove rear mounting bracket screws and front mounting bracket screws, then the compressor, Fig. 16.