Curiosii for ever!
: Car repair manuals for everyone.
Home
>>
Oldsmobile
>>
1987
>>
Custom Cruiser V8-307 5.0L
>>
Repair and Diagnosis
>>
Relays and Modules
>>
Relays and Modules - Powertrain Management
>>
Relays and Modules - Computers and Control Systems
>>
Air Flow Meter/Sensor Relay
>>
Locations
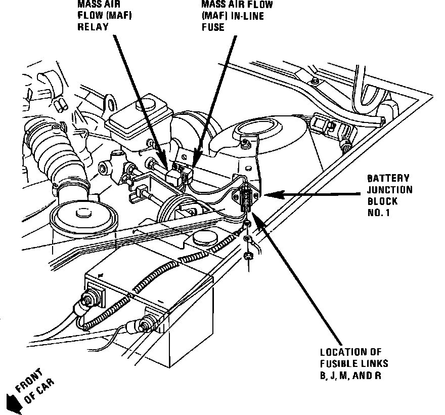
Air Flow Meter/Sensor Relay: Locations
LH Side Of Engine Compartment.:
On Bracket In Front Of LH Shock Tower
Applicable to: V6-173, VIN W Engine