Curiosii for ever!
: Car repair manuals for everyone.
Home
>>
Oldsmobile
>>
1987
>>
Calais FWD V6-181 3.0L
>>
Repair and Diagnosis
>>
Powertrain Management
>>
Diagrams
>>
Electrical Diagrams
>>
Powertrain Controls
Powertrain Controls
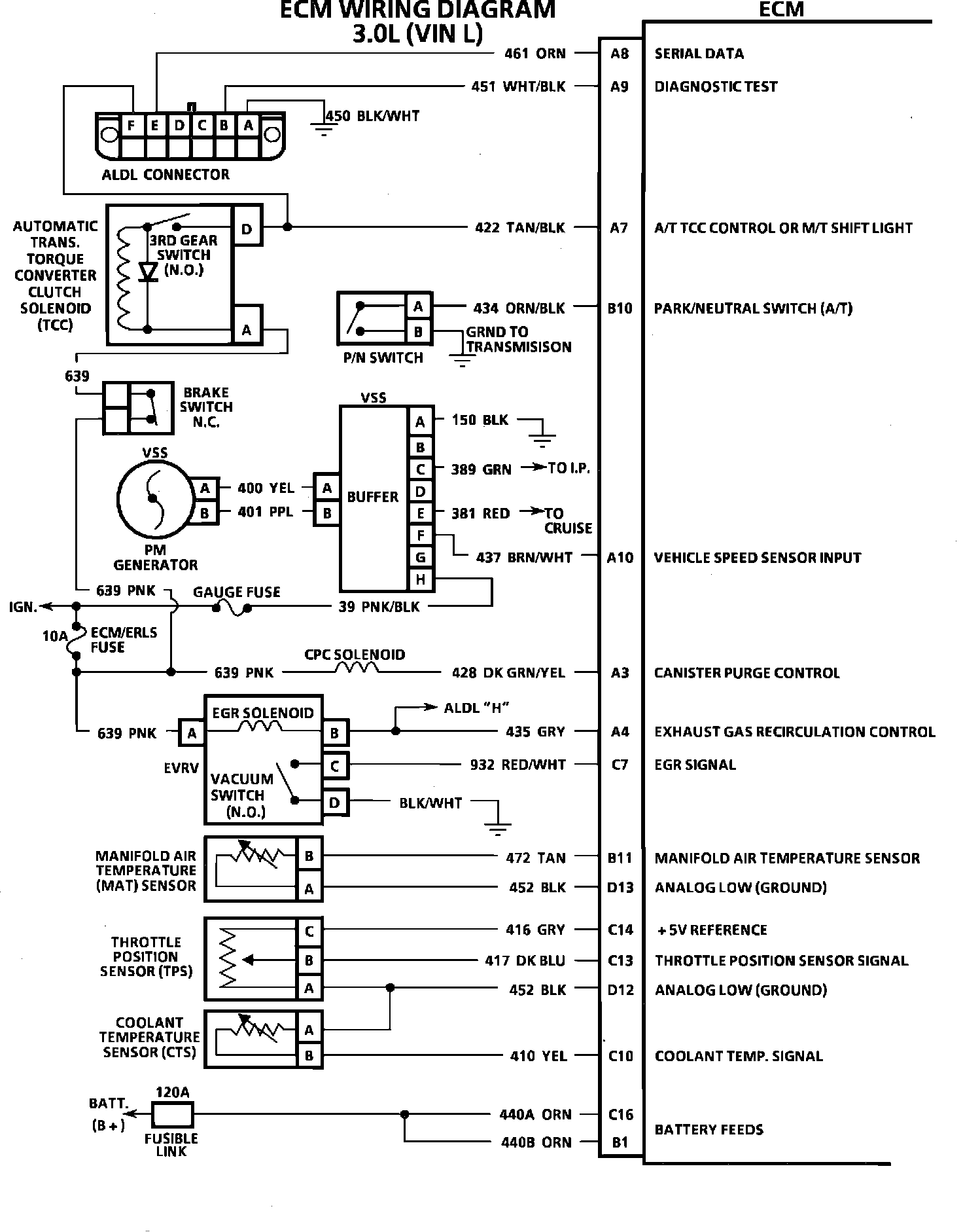
ECM Wiring Diagram (Part 1 of 3):
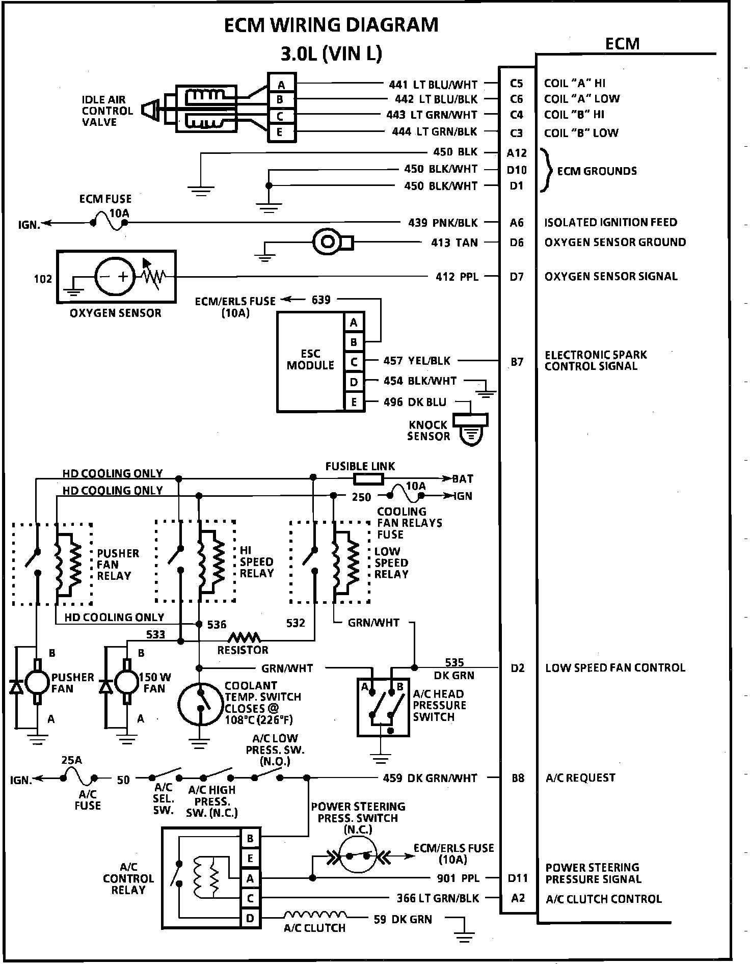
ECM Wiring Diagram (Part 2 of 3):
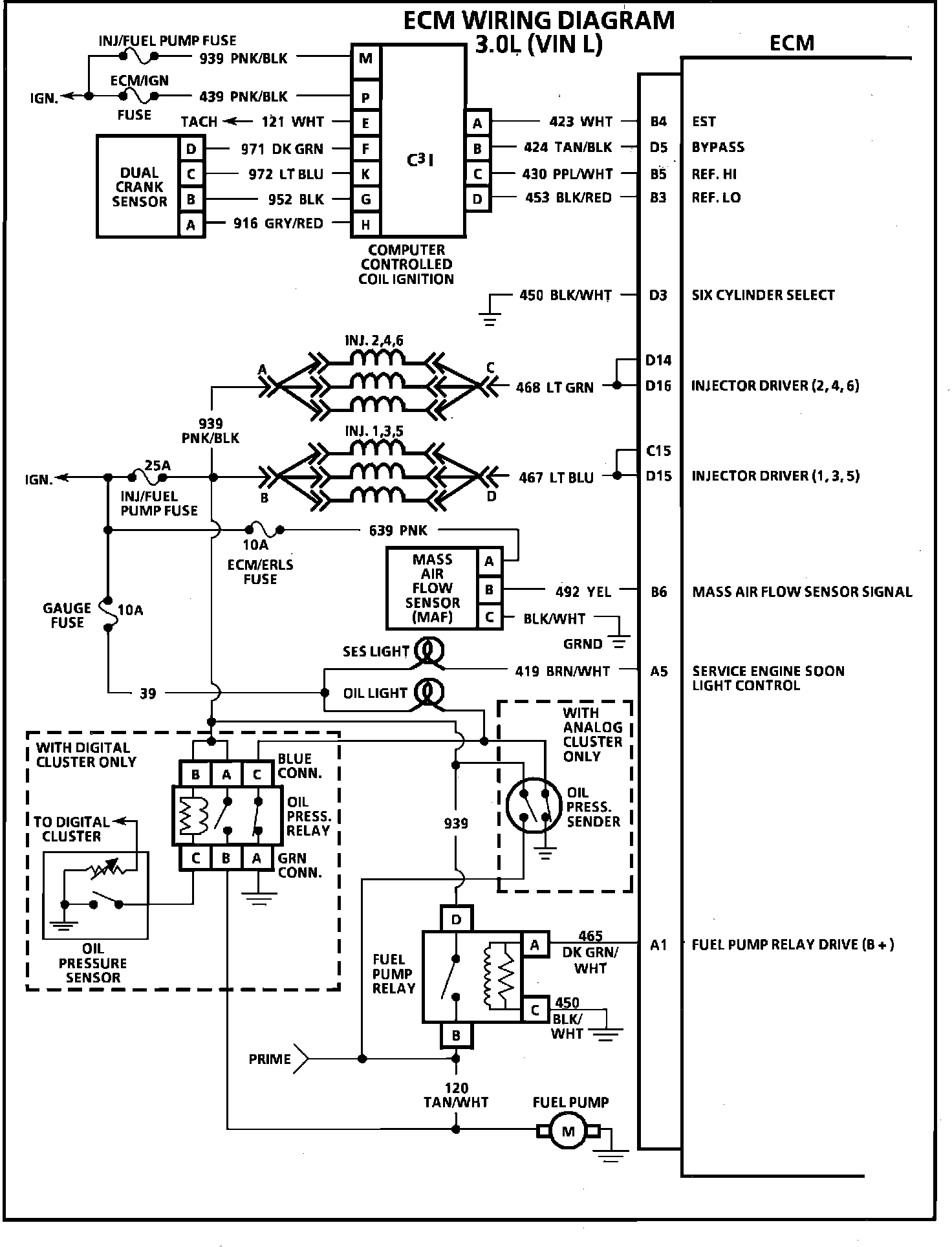
ECM Wiring Diagram (Part 3 of 3):