Curiosii for ever!
: Car repair manuals for everyone.
Home
>>
Oldsmobile
>>
1987
>>
Calais FWD V6-181 3.0L
>>
Repair and Diagnosis
>>
Diagrams
>>
Electrical Diagrams
>>
Powertrain Management
>>
System Diagram
>>
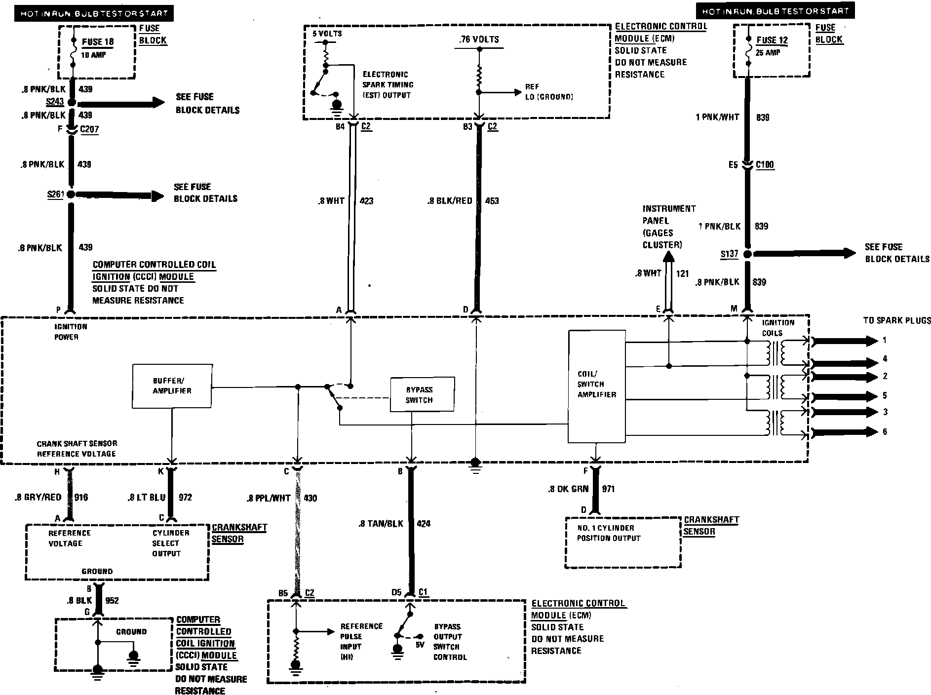
Ignition Controls
Ignition Controls
Fuel Injection Wiring Circuit (Ignition):