Curiosii for ever!: Car repair manuals for everyone.

Component Diagnosis Charts - C3 System

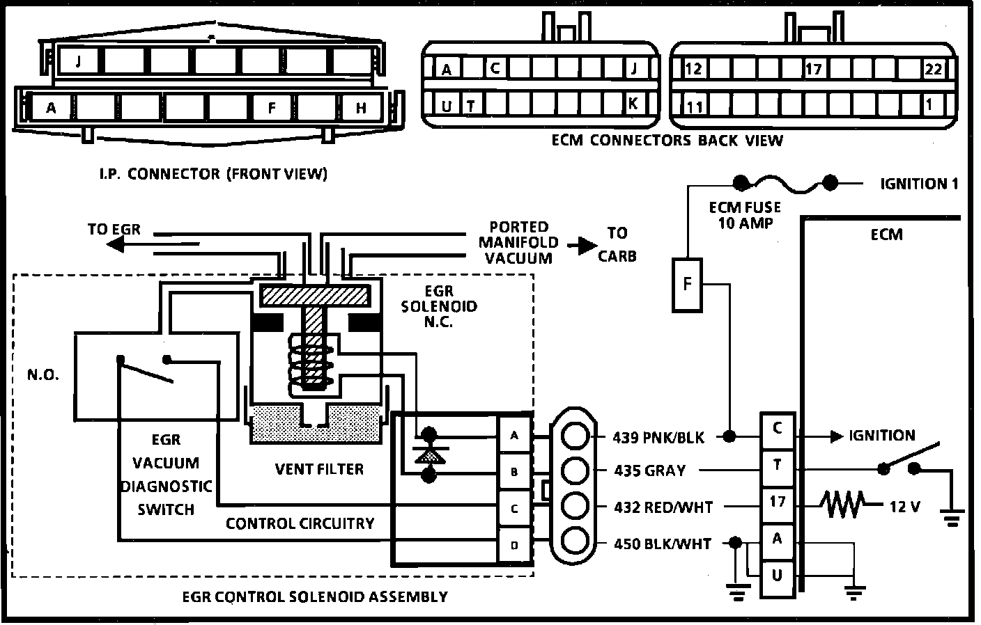
Fig. 026 - Chart C-7B Pulse Width Modulated (PWM) EGR Check.:




- Wiring Diagram for Chart C-7B Pulse Width Modulated (PWM) EGR Check.:






CHART C-7B, EGR VACUUM CONTROL

CIRCUIT DESCRIPTION
The EGR valve is controlled by a normally closed solenoid (allows vacuum to pass when energized). The ECM energizes the solenoid to turn the EGR on, and monitors vacuum to the EGR with the EGR diagnostic switch. Any EGR problem caused by the control solenoid, vacuum switch, wiring, or a vacuum leak will be detected by the ECM, and failure Code 53 will be set. Chart C-7B checks for two problems; plugged EGR passages, or a sticking EGR valve.
Code 53 will set if:
a. There is no vacuum at EGR switch above idle, or there is vacuum at idle.
b. There is a vacuum leak between EGR solenoid and EGR valve.
If code sets - see Trouble Code 53 Chart.

CHART DESCRIPTION
1. Checks for a sticking EGR valve. If sticking, remove and examine valve to determine whether it can be cleaned, or must be replaced. A sticking EGR valve will most likely cause a rough idle condition.
2. Checks for plugged EGR passages. If passages are plugged, the engine may have severe detonation on acceleration.