Curiosii for ever!: Car repair manuals for everyone.

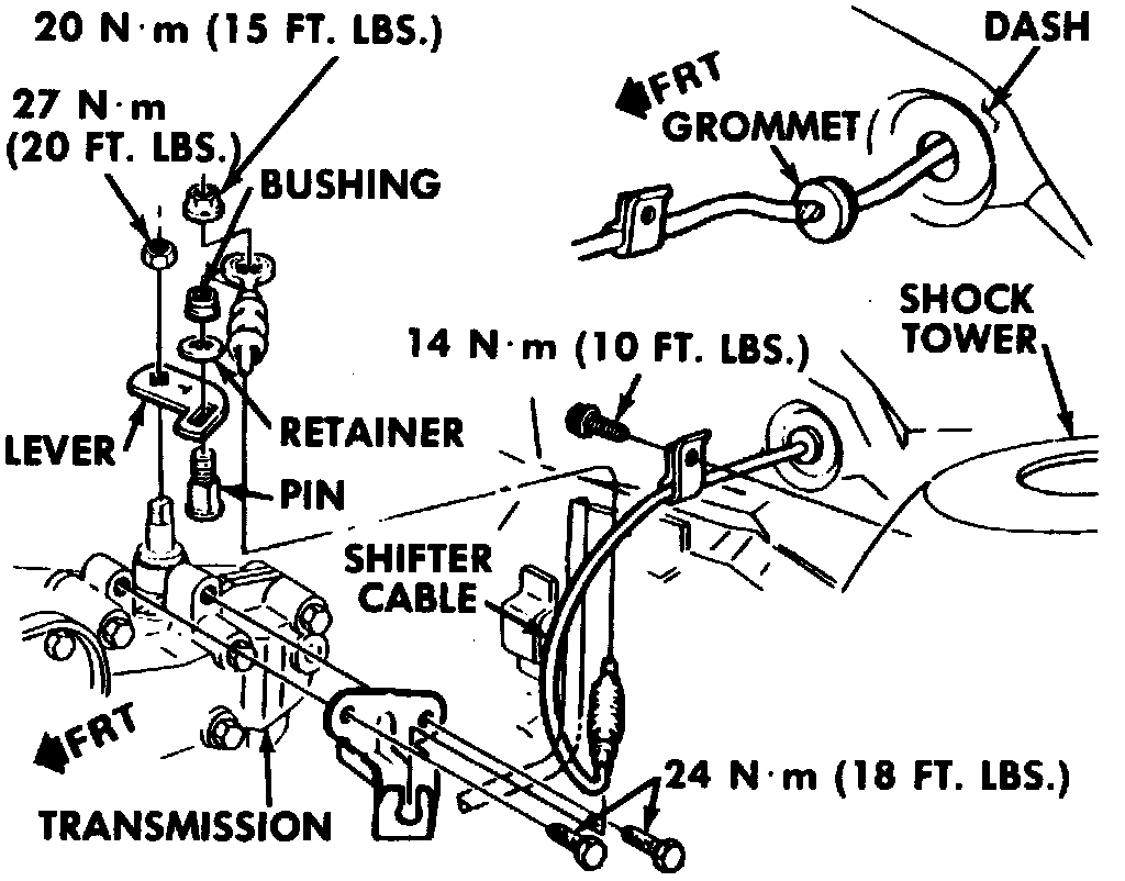
Manual Shift Linkage Adjust

1. Place transaxle shift lever in "Neutral" position.

2. Place transaxle lever in "Neutral" position by moving transaxle lever clockwise to the "L" detent, then move lever counterclockwise through four detent positions to "Neutral."





3. Loosely assemble retainer, bushing and shift cable to pin and bracket, see figures, then torque attaching nut to specifications.