Curiosii for ever!: Car repair manuals for everyone.

Thermostatic Air Cleaner: Description and Operation

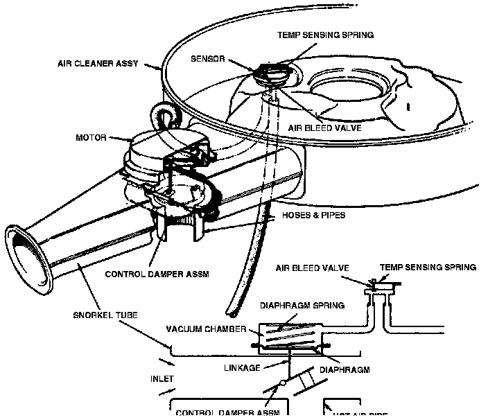
Fig. 40 - Thermostatically Controlled Air Cleaner (TAC) System:






PURPOSE
Regulates the temperature of air entering the carburetor --depending on application;
- Reduce exhaust emissions
- Permit the use of Leaner Mixtures
- Shorten Choke ON Periods
- Improve Cold Engine Driveability
- Prevent Carburetor Icing

OPERATION
The system keeps the temperature of incoming air in the desired range by mixing pre-heated and non pre-heated air.

System Components
- Temperature Sensor
- Vacuum Motor
- Control Damper
- Vacuum Hoses

When engine compartment temperatures are below the sensor calibrated value;
- The sensor closes, allowing engine vacuum to be directed to the vacuum motor.
- The vacuum motor then closes the control damper to outside air, allowing heated air from the exhaust manifold to flow up through the heat tube to the air cleaner.

NOTE: Some 4 cylinder engines use a bi-metal spring, instead of a vacuum motor, to activate the control damper assembly.

As the temperature in the air cleaner reaches the sensor calibrated value;
- The sensor begins to open, bleeding off vacuum to the vacuum motor.
- The vacuum motor causes the control damper to partially open, allowing outside air to blend with heated air and enter the air cleaner--Fig 78.

Fig. 78 Blended Air Regulatory Mode Of TAC:




Fig. 79 Cold Air Delivery Mode Of TAC:






During periods of wide open throttle or when ambient temperatures are very high;
- There is not enough vacuum available to the vacuum motor to overcome diaphragm spring tension.
- The diaphragm causes the control damper to move downward, closing the hot air duct and allowing only outside air to enter the air cleaner--Fig 79.

Trapped Vacuum
Some vehicles are equipped with a built-in vacuum trap to hold the control damper door in the hot air mode--during acceleration--when ambient temperatures are below 70° F.
- Vacuum is trapped by a check valve in the small orifice leg of the temperature sensor.
- The length of time that vacuum remains trapped depends on sensor temperature:
- At very cold temperatures--up to several minutes.
- At approximately 70° F--a few seconds.
- Once the sensor reaches its calibration temperature the trapped vacuum feature no longer applies.