Curiosii for ever!
: Car repair manuals for everyone.
Home
>>
Oldsmobile
>>
1982
>>
Omega V6-173 2.8L
>>
Repair and Diagnosis
>>
Powertrain Management
>>
Diagrams
>>
Electrical Diagrams
>>
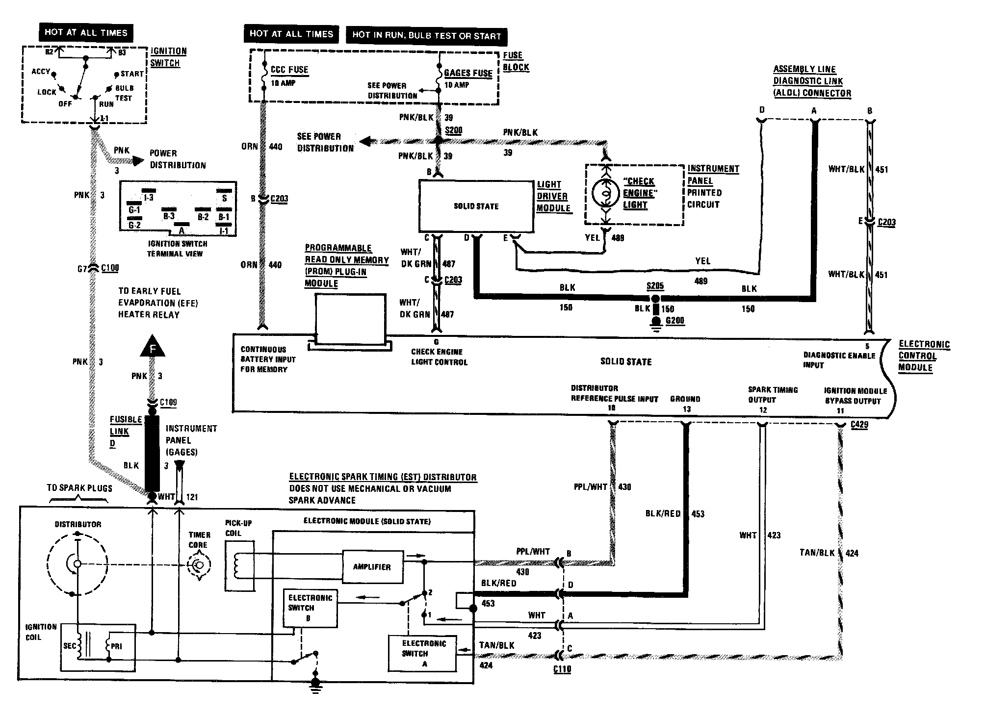
Ignition, Check Engine Light
Ignition, Check Engine Light