Curiosii for ever!
: Car repair manuals for everyone.
Home
>>
Oldsmobile
>>
1982
>>
Omega V6-173 2.8L
>>
Repair and Diagnosis
>>
Engine, Cooling and Exhaust
>>
Engine
>>
Specifications
Engine: Specifications
Engine Specifications:
Engine Specifications:
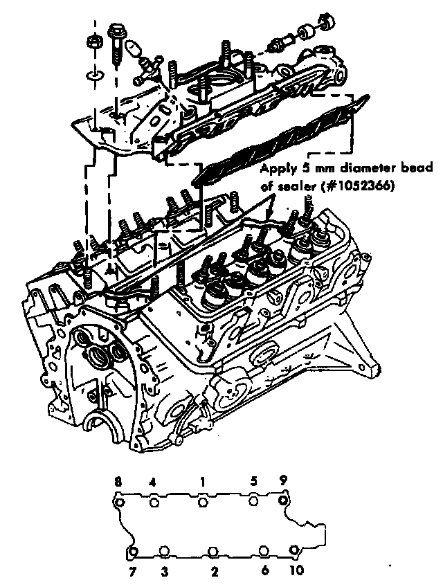
Cylinder Head Bolt Torque Sequence:
Intake Manifold Bolt Torque Sequence: