Curiosii for ever!
: Car repair manuals for everyone.
Home
>>
Oldsmobile
>>
1982
>>
Cutlass Ciera FWD V6-260 4.3L DSL
>>
Repair and Diagnosis
>>
Starting and Charging
>>
Diagrams
>>
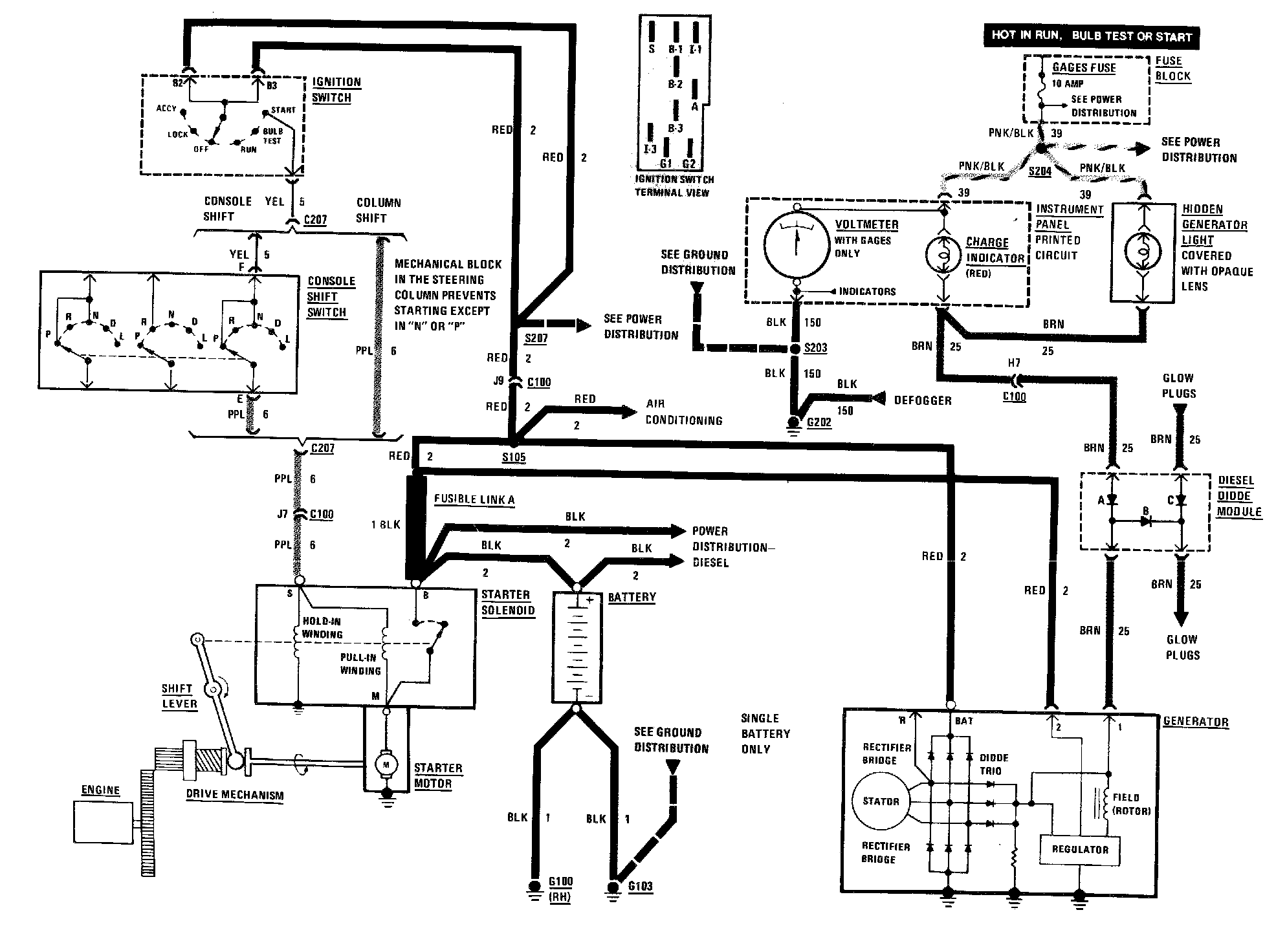
Starting System
Starting System