Curiosii for ever!
: Car repair manuals for everyone.
Home
>>
Oldsmobile Truck
>>
1996
>>
Bravada V6-4.3L VIN W
>>
Repair and Diagnosis
>>
Powertrain Management
>>
Computers and Control Systems
>>
Air Flow Meter/Sensor
>>
Locations
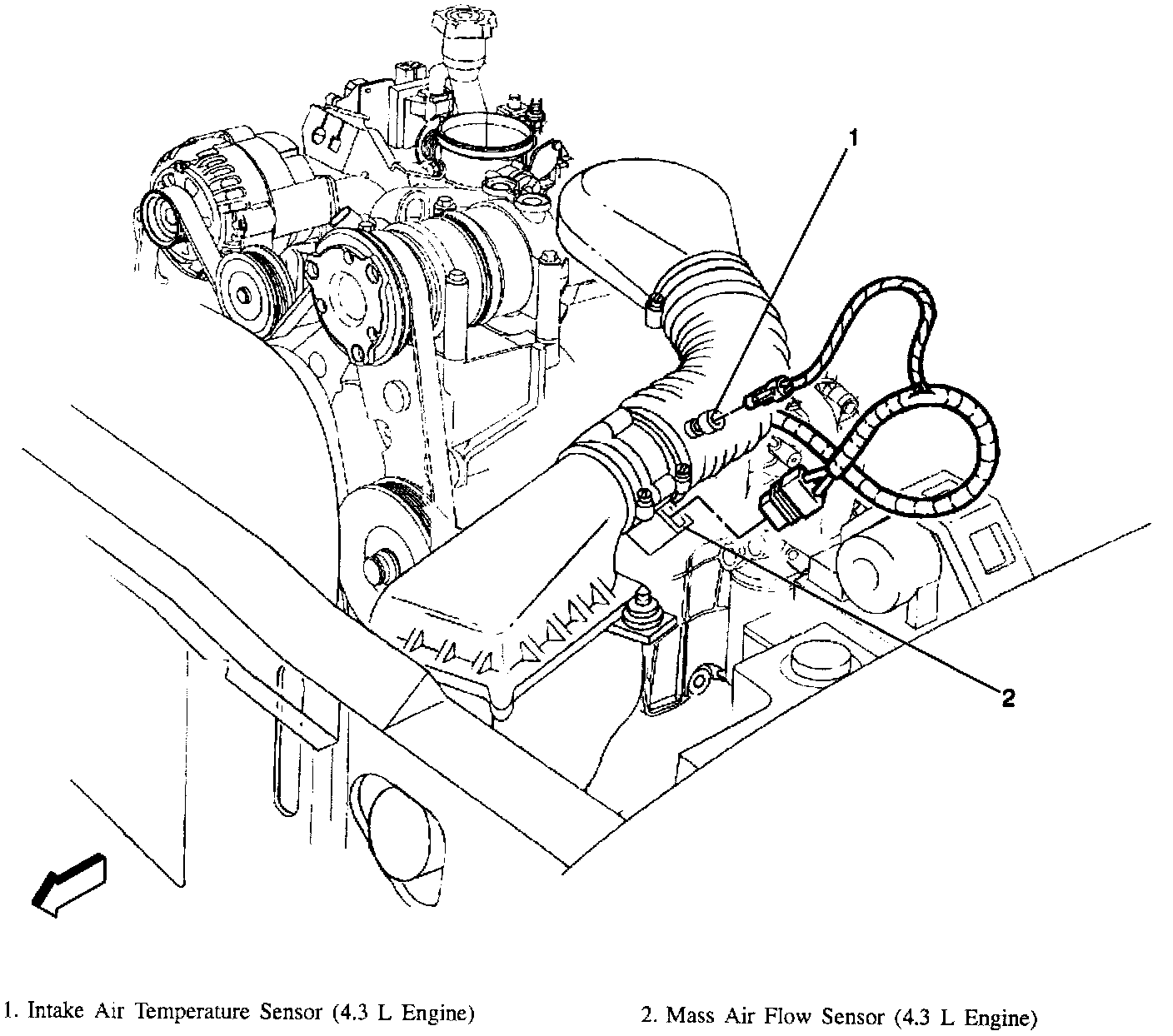
Air Flow Meter/Sensor: Locations
Engine Air Intake Wiring: