Curiosii for ever!
: Car repair manuals for everyone.
Home
>>
Oldsmobile Truck
>>
1990
>>
Silhouette V6-191 3.1L
>>
Repair and Diagnosis
>>
Diagrams
>>
Components
>>
Modules
>>
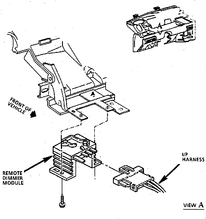
Remote Dimmer Module
Remote Dimmer Module
Remote Dimmer Module:
Left Of Steering Column, Behind I/P