Curiosii for ever!: Car repair manuals for everyone.

CVT Shift Lock System




CVT SHIFT LOCK SYSTEM

Description


WITH INTELLIGENT KEY

- The mechanical key interlock mechanism also operates as a shift lock:
With the ignition knob switch turned to ON, selector lever cannot be shifted from "P" position to any other position unless brake pedal is depressed.
With the ignition knob switch turned to OFF, selector lever cannot be shifted from "P" position to any other position.
- The shift lock and key interlock mechanisms are controlled by the ON-OFF operation of the shift lock solenoid and by the operation of the ignition knob switch, respectively.

WITHOUT INTELLIGENT KEY

- The mechanical key interlock mechanism also operates as a shift lock:
With the ignition switch turned to ON, selector lever cannot be shifted from "P" position to any other position unless brake pedal is depressed.
With the key removed, selector lever cannot be shifted from "P" position to any other position.
The key cannot be removed unless selector lever is placed in "P" position.
- The shift lock and key interlock mechanisms are controlled by the ON-OFF operation of the shift lock solenoid and by the operation of the rotator and slider located inside key cylinder, respectively.


Shift Lock System Electrical Parts Location













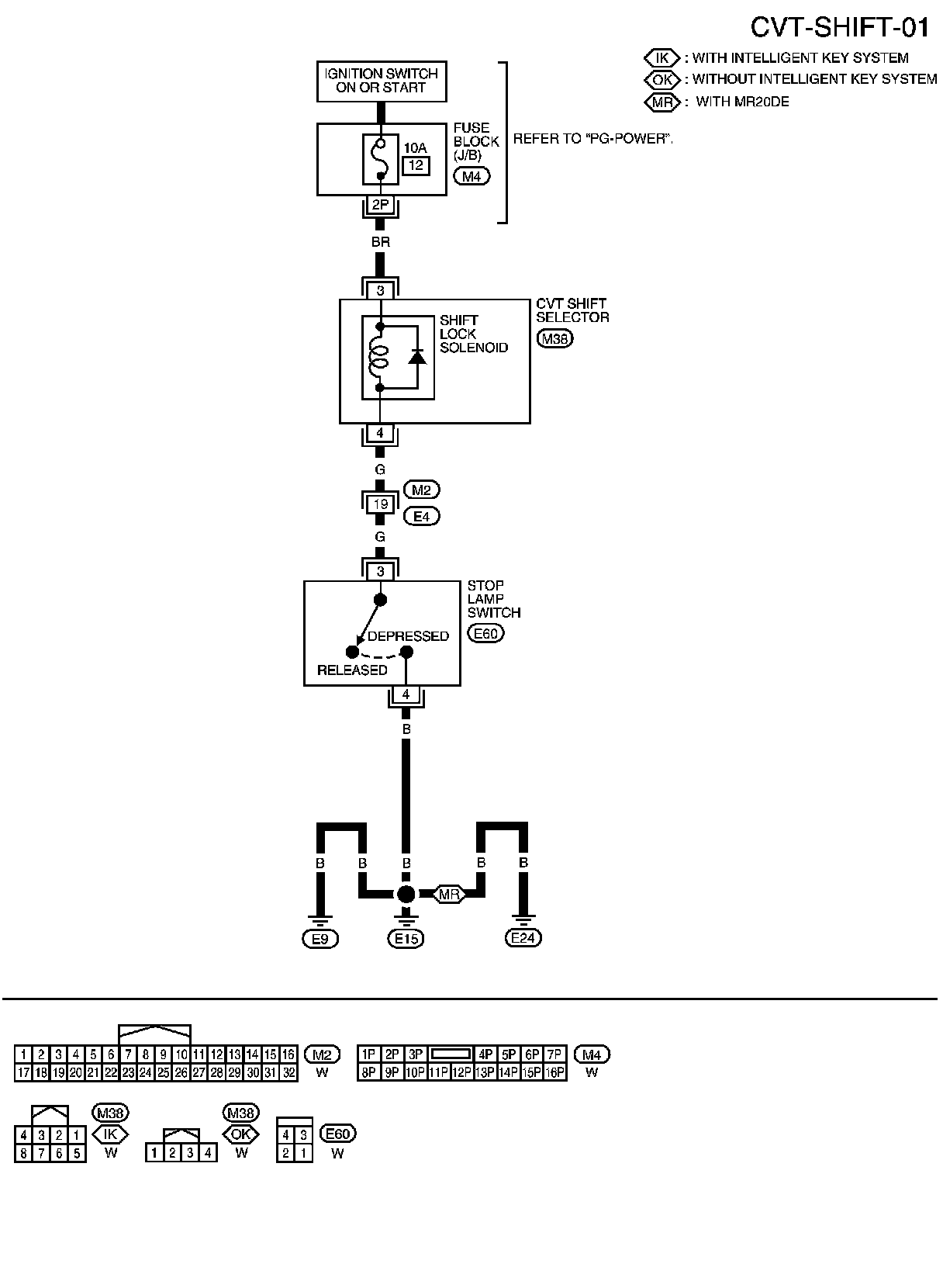
Wiring Diagram - CVT - SHIFT








Diagnosis Procedure


WITHOUT INTELLIGENT KEY

SYMPTOM 1:
-Selector lever cannot be moved from "P" position with ignition switch in ON position and brake pedal depressed.
-Selector lever can be moved from "P" position with ignition key in ON position and brake pedal released.
-Selector lever can be moved from "P" position when ignition switch is removed from key cylinder.
SYMPTOM 2:
-Ignition key cannot be removed when selector lever is set to "P" position.
-Ignition key can be removed when selector lever is set to any position except "P" position.

1. CHECK KEY INTERLOCK CABLE

Check key interlock cable for damage.
OK or NG
OK- GO TO 2.
NG- Repair key interlock cable. Service and Repair.

2. CHECK CVT POSITION

Check CVT position. Testing and Inspection.
OK or NG
OK- GO TO 3.
NG- Adjust control cable. Shift Control System.

3. CHECK SHIFT LOCK SOLENOID AND PARK POSITION SWITCH

1.Turn ignition switch ON. (Do not start engine.)
2.Selector lever is set in "P" position.
3.Check operation sound.





OK or NG
OK-INSPECTION END
NG- GO TO 4.

4. CHECK POWER SOURCE






Check voltage between CVT shift selector connector M38 terminal 3
and ground.
OK or NG
OK- GO TO 6.
NG- GO TO 5.

5. DETECT MALFUNCTIONING ITEM

Check the following. If any items are damaged, repair or replace damaged parts.
- Harness for short or open between ignition switch and CVT shift selector connector
- 10A fuse [No.12, located in the fuse block (J/B)]
- Ignition switch.
OK or NG
OK-INSPECTION END
NG- Repair or replace damaged parts.

6. CHECK STOP LAMP SWITCH POWER SOURCE






1.Turn ignition switch OFF.
2.Disconnect stop lamp switch connector E60.
3.Turn ignition switch ON.
4.Check voltage between stop lamp switch connector E60 terminal 3 and ground.
3 - ground: Battery voltage
OK or NG
OK- GO TO 8.
NG- GO TO 7.

7. CHECK STOP LAMP SWITCH SUPPLY CIRCUIT






1.Turn ignition switch OFF.
2.Disconnect CVT shift selector connector M38.
3.Check continuity between CVT shift selector connector M38 (A)
terminal 4 and stop lamp switch connector E60 (B) terminal 3.
Continuity should exist.
4.Check continuity between CVT shift selector connector M38 (A)
terminal 4 and ground.
Continuity should not exist.
OK or NG
OK- Replace shift lock solenoid assembly.
NG- Repair or replace harness as necessary.

8. CHECK GROUND CIRCUIT






1.Turn ignition switch OFF.
2.Check continuity between stop lamp switch connector E60 terminal 4 and ground.
Continuity should exist.
OK or NG
OK- GO TO 9.
NG- Repair or replace harness as necessary.

9. CHECK STOP LAMP SWITCH






Check continuity between stop lamp switch terminals 3 and 4.





Check stop lamp switch after adjusting brake pedal.
OK or NG
OK-INSPECTION END.
NG- Replace stop lamp switch.

WITH INTELLIGENT KEY


SYMPTOM 1:
-Selector lever cannot be moved from "P" position with ignition knob switch in ON position and brake pedal depressed.
-Selector lever can be moved from "P" position with ignition knob switch in ON position and brake pedal released.
-Selector lever can be moved from "P" position when ignition knob switch is in OFF position.
SYMPTOM 2:
-Ignition knob switch cannot be turned when selector lever is set to "P" position.
-Ignition knob switch can be turned when selector lever is set to any position except "P" position.

1. CHECK KEY INTERLOCK CABLE

Check key interlock cable for damage.
OK or NG
OK- GO TO 2.
NG- Repair key interlock cable. Service and Repair.

2. CHECK CVT POSITION

Check CVT position. Testing and Inspection.
OK or NG
OK- GO TO 3.
NG- Adjust control cable. Shift Control System.

3. CHECK SHIFT LOCK SOLENOID AND PARK POSITION SWITCH

1.Turn ignition switch ON. (Do not start engine.)
2.Selector lever is set in "P" position.
3.Check operation sound.





OK or NG
OK-INSPECTION END
NG- GO TO 4.

4. CHECK POWER SOURCE






Check voltage between CVT shift selector harness connector M38
terminal 3 and ground.
OK or NG
OK- GO TO 6.
NG- GO TO 5.

5. DETECT MALFUNCTIONING ITEM

Check the following. If any items are damaged, repair or replace damaged parts.
- Harness for short or open between ignition switch and CVT shift selector harness connector
- 10A fuse [No.12, located in the fuse block (J/B)]
- Ignition switch.
OK or NG
OK-INSPECTION END
NG- Repair or replace damaged parts.

6. CHECK STOP LAMP SWITCH POWER SOURCE






1.Turn ignition switch OFF.
2.Disconnect stop lamp switch harness connector E60.
3.Turn ignition switch ON.
4.Check voltage between stop lamp switch harness connector
E60 terminal 3 and ground.
3 - ground: Battery voltage
OK or NG
OK- GO TO 8.
NG- GO TO 7.

7. CHECK STOP LAMP SWITCH SUPPLY CIRCUIT






1.Turn ignition switch OFF.
2.Disconnect CVT shift selector harness connector M38.
3.Check continuity between stop lamp switch harness connector
E60 (B) terminal 3 and CVT shift selector harness connector
M38 (A) terminal 4.
Continuity should exist.
4.Check continuity between stop lamp switch harness connector
E60 (B) terminal 3 and ground.
Continuity should not exist.
OK or NG
OK- Replace shift lock solenoid assembly.
NG- Repair or replace harness as necessary.

8. CHECK GROUND CIRCUIT






1.Turn ignition switch OFF.
2.Check continuity between stop lamp switch harness connector
E60 terminal 4 and ground.
Continuity should exist.
OK or NG
OK- GO TO 9.
NG- Repair or replace harness as necessary.

9. CHECK STOP LAMP SWITCH






Check continuity between stop lamp switch terminals 3 and 4.





Check stop lamp switch after adjusting brake pedal.
OK or NG
OK-INSPECTION END.
NG- Replace stop lamp switch.