Curiosii for ever!: Car repair manuals for everyone.

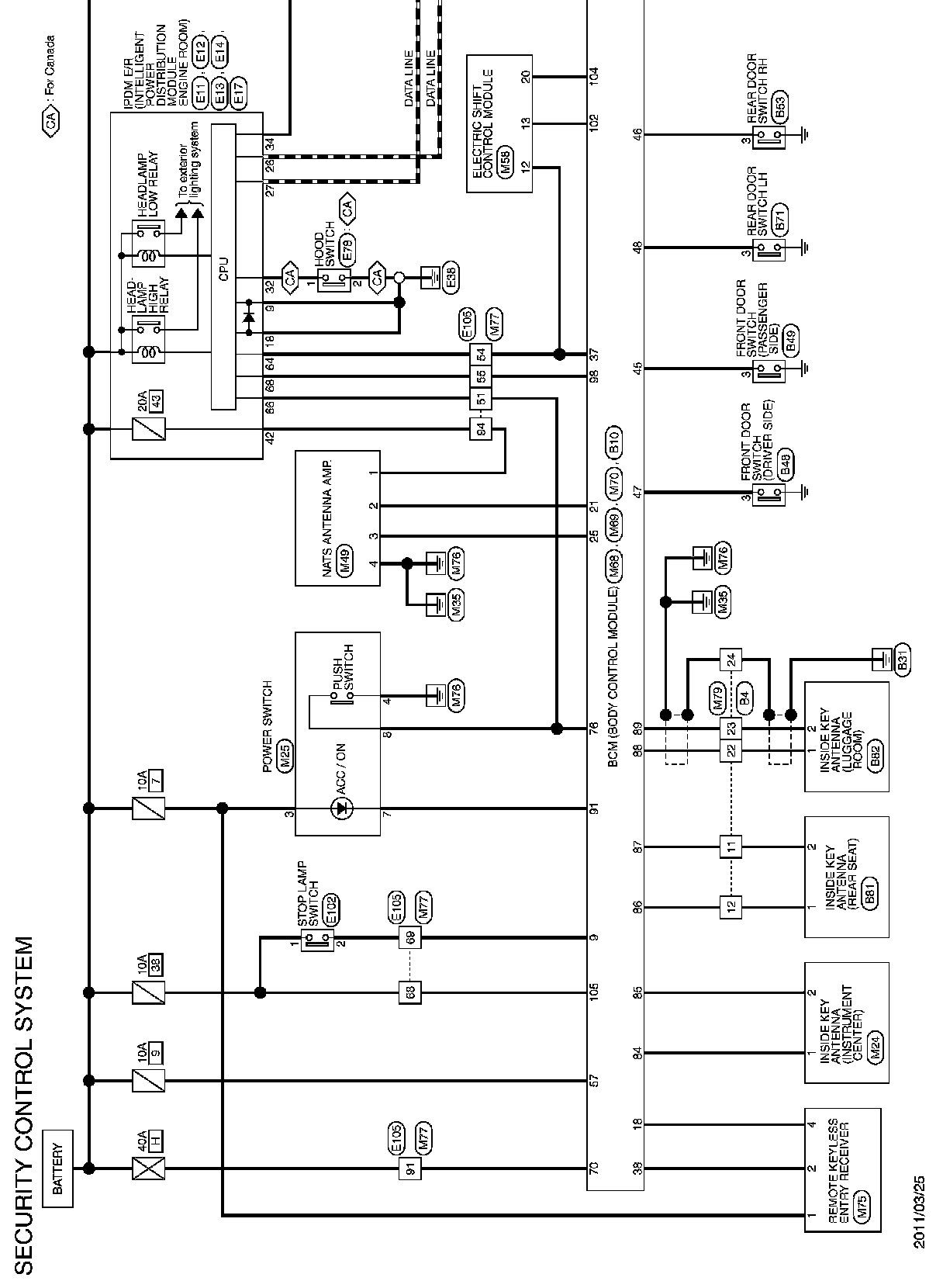
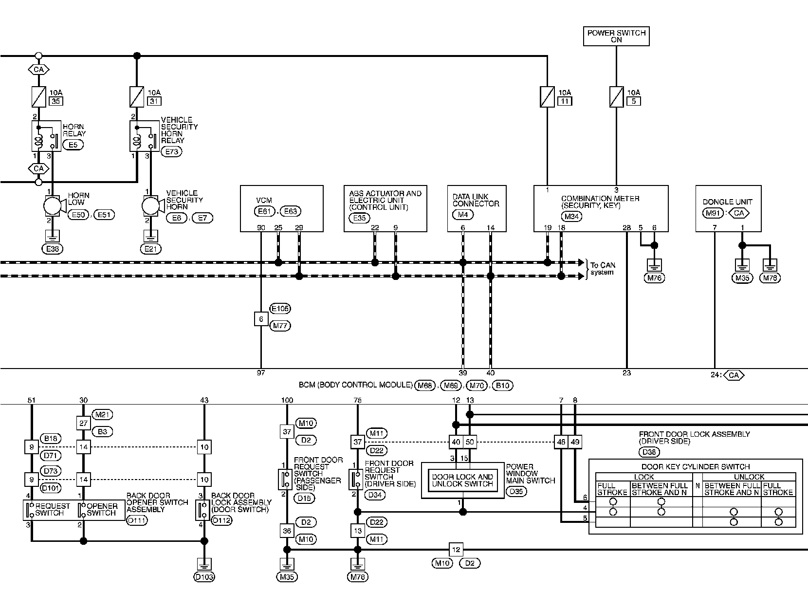
Antitheft and Alarm Systems




SECURITY CONTROL SYSTEM

Wiring Diagram

For connector terminal arrangements, harness layouts, and alphabets in a (option abbreviation; if not described in wiring diagram), refer to "Connector Information" Connector Information.