Curiosii for ever!
: Car repair manuals for everyone.
Home
>>
Nissan-Datsun
>>
2012
>>
Juke AWD L4-1.6L Turbo (MR16DDT)
>>
Repair and Diagnosis
>>
Powertrain Management
>>
Computers and Control Systems
>>
Body Control Module
>>
Diagrams
>>
Electrical Diagrams
>>
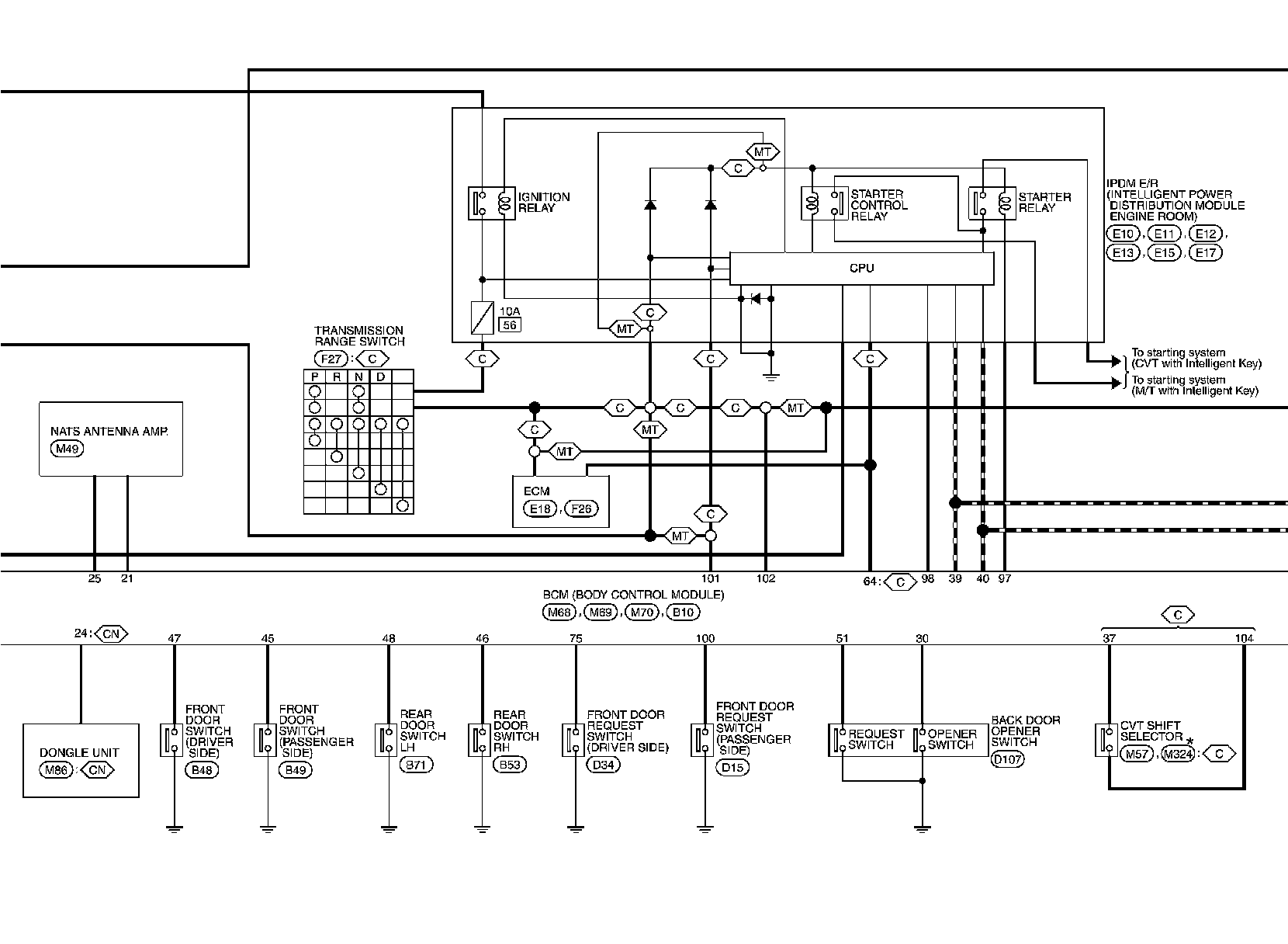
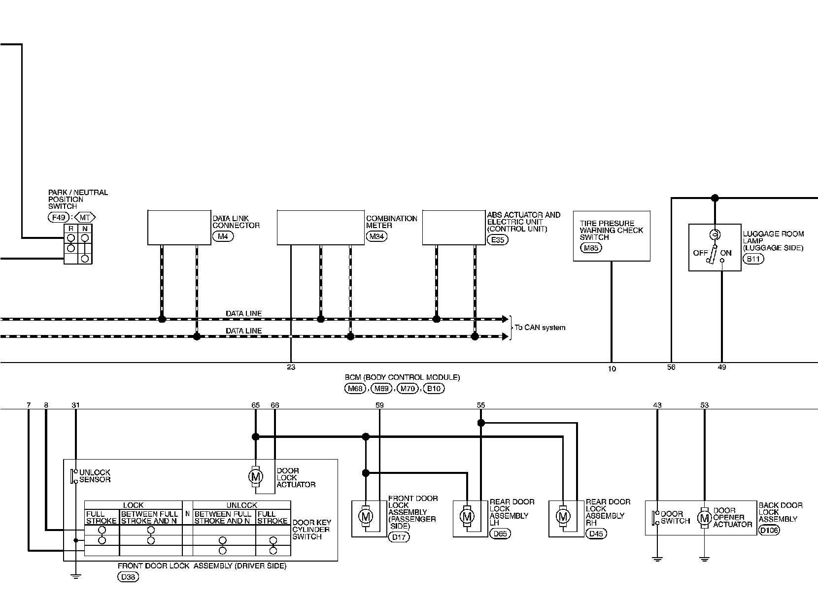
With Intelligent Key System
With Intelligent Key System
BCM
Wiring Diagram
For connector terminal arrangements, harness layouts, and alphabets in a (option abbreviation; if not described in wiring diagram),
Connector Information
.