Curiosii for ever!
: Car repair manuals for everyone.
Home
>>
Nissan-Datsun
>>
2012
>>
Cube L4-1.8L (MR18DE)
>>
Repair and Diagnosis
>>
Power and Ground Distribution
>>
Power Distribution Module
>>
Diagrams
>>
Electrical Diagrams
>>
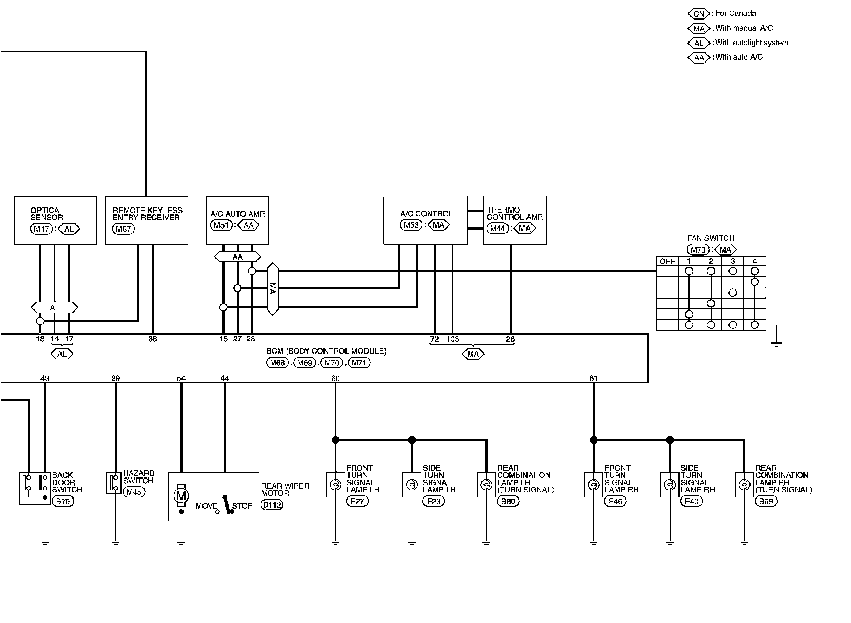
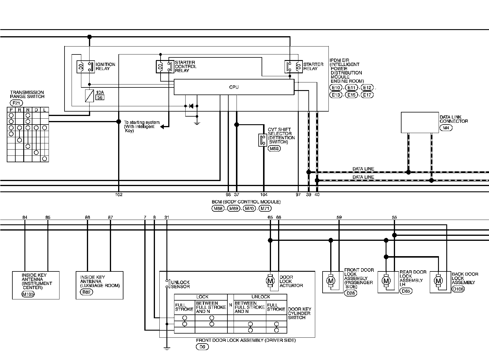
BCM (Body Control Module)
BCM (Body Control Module)
BCM
(BODY CONTROL MODULE)
Wiring Diagram -
BCM
For connector terminal arrangements, harness layouts, and alphabets in a (option abbreviation; if not described in wiring diagram),
Connector Information
.