Curiosii for ever!: Car repair manuals for everyone.

CVT Overdrive Control Switch


OVERDRIVE CONTROL SWITCH





Description
- Overdrive control switch is installed to the selector lever.
- O/D OFF indicator turns ON, and overdrive driving activates when pressing the overdrive control switch while driving in "D" position. O/D OFF indicator turns OFF, and "D" position driving starts when pressing the overdrive control switch while driving in the overdrive-off mode. Shifting the selector lever in any position other than "D" releases the overdrive-off mode.




CONSULT-III Reference Value









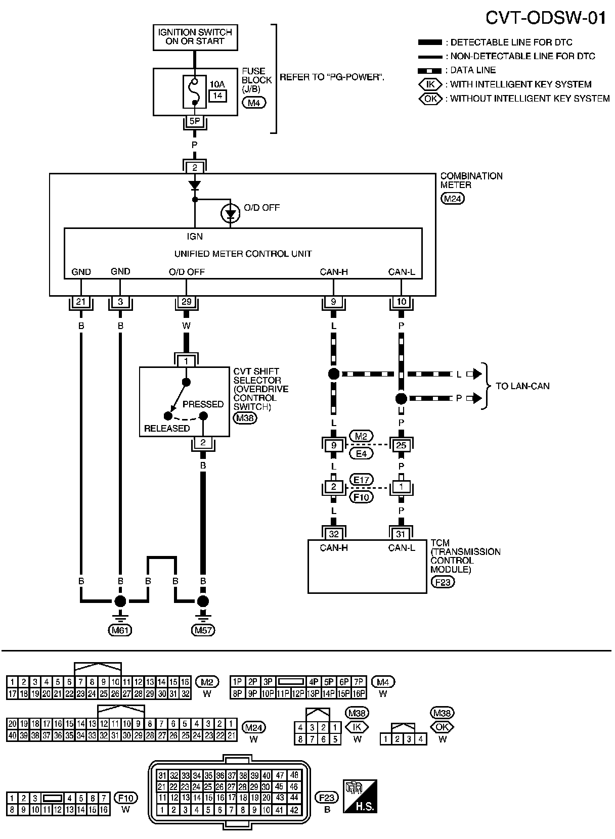
Wiring Diagram - CVT - ODSW






TCM TERMINALS AND REFERENCE VALUES
CVT Trouble Diagnosis.




Diagnosis Procedure
1.CHECK CAN COMMUNICATION LINE
Perform the self-diagnosis check. CVT Trouble Diagnosis.
Is any malfunction of the "U1000" indicated in the results?
YES - Check CAN communication line. CVT CVT CVT CVT.
NO - GO TO 2.
2.CHECK OVERDRIVE CONTROL SWITCH SIGNAL
With CONSULT-III
1. Turn ignition switch ON.
2. Select "ECU INPUT SIGNALS" in "DATA MONITOR" mode for "TRANSMISSION" with CONSULT-III.
3. Read out ON/OFF switching action of the "SPORT MODE SW".






OK or NG
OK - INSPECTION END
NG - GO TO 3.
3.CHECK OVERDRIVE CONTROL SWITCH
Check overdrive control switch. SEE Component Inspection.
OK or NG
OK - GO TO 4.
NG - Repair or replace damaged parts.
4.CHECK SELF-DIAGNOSTIC RESULTS (COMBINATION METER)
Perform self-diagnosis check. Self-Diagnosis Mode of Combination Meter .
Is any malfunction detected by self-diagnostic?
YES - Check the malfunctioning system.
NO - 1 - With Intelligent Key: GO TO 5.
NO - 2 - Without Intelligent Key: GO TO 7.
5.CHECK OVERDRIVE CONTROL SWITCH CIRCUIT WITH INTELLIGENT KEY





1. Turn ignition switch OFF.
2. Disconnect CVT shift selector connector and combination meter connector.
3. Check continuity between CVT shift selector harness connector
(A) terminal and combination meter harness connector (B) terminal.






4. Check continuity between CVT shift selector harness connector (A) terminal and ground.





OK or NG
OK - GO TO 6.
NG - Repair open circuit or short to ground in harness or connectors.
6.CHECK OVERDRIVE CONTROL SWITCH GROUND CIRCUIT WITH INTELLIGENT KEY





Check continuity between CVT shift selector harness connector terminal and ground.





OK or NG
OK - INSPECTION END
NG - Repair open circuit in harness or connectors.
7.CHECK OVERDRIVE CONTROL SWITCH CIRCUIT WITHOUT INTELLIGENT KEY





1. Turn ignition switch OFF.
2. Disconnect CVT shift selector connector and combination meter connector.
3. Check continuity between CVT shift selector harness connector
(A) terminal and combination meter harness connector (B) terminal.






4. Check continuity between CVT shift selector harness connector terminal and ground.






OK or NG
OK - GO TO 6.
NG - Repair open circuit or short to ground in harness or connectors.
8.CHECK OVERDRIVE CONTROL SWITCH GROUND CIRCUIT WITHOUT INTELLIGENT KEY





Check continuity between CVT shift selector harness connector terminal and ground.






OK or NG
OK - INSPECTION END
NG - Repair open circuit in harness or connectors.




Component Inspection

OVERDRIVE CONTROL SWITCH

With Intelligent Key





Check continuity between CVT shift selector terminals.






Without Intelligent Key





Check continuity between CVT shift selector terminals.