Curiosii for ever!
: Car repair manuals for everyone.
Home
>>
Nissan-Datsun
>>
2011
>>
Sentra L4-2.0L (MR20DE)
>>
Repair and Diagnosis
>>
Powertrain Management
>>
Computers and Control Systems
>>
Coolant Temperature Sensor/Switch (For Computer)
>>
Diagrams
>>
Electrical Diagrams
>>
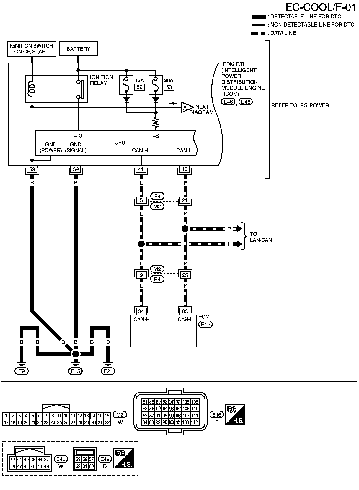
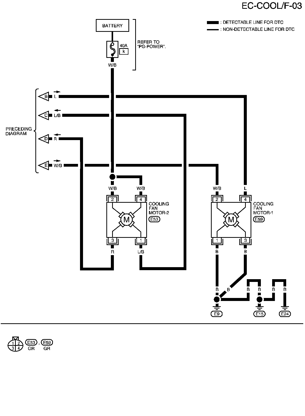
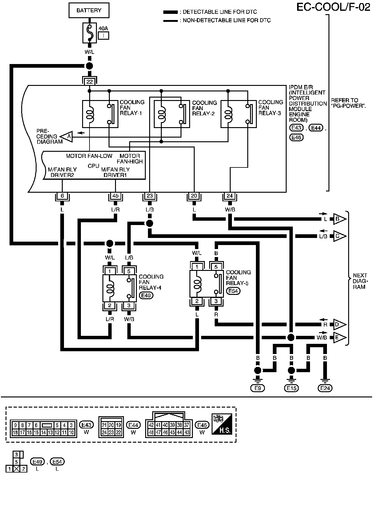
Engine Over Temperature (Except For California)
Engine Over Temperature (Except For California)
DTC P1217 ENGINE OVER TEMPERATURE
Wiring Diagram