Curiosii for ever!
: Car repair manuals for everyone.
Home
>>
Nissan-Datsun
>>
2009
>>
Sentra L4-2.0L (MR20DE)
>>
Repair and Diagnosis
>>
Powertrain Management
>>
Computers and Control Systems
>>
Description and Operation
>>
Engine Control System
>>
Except For California
Except For California
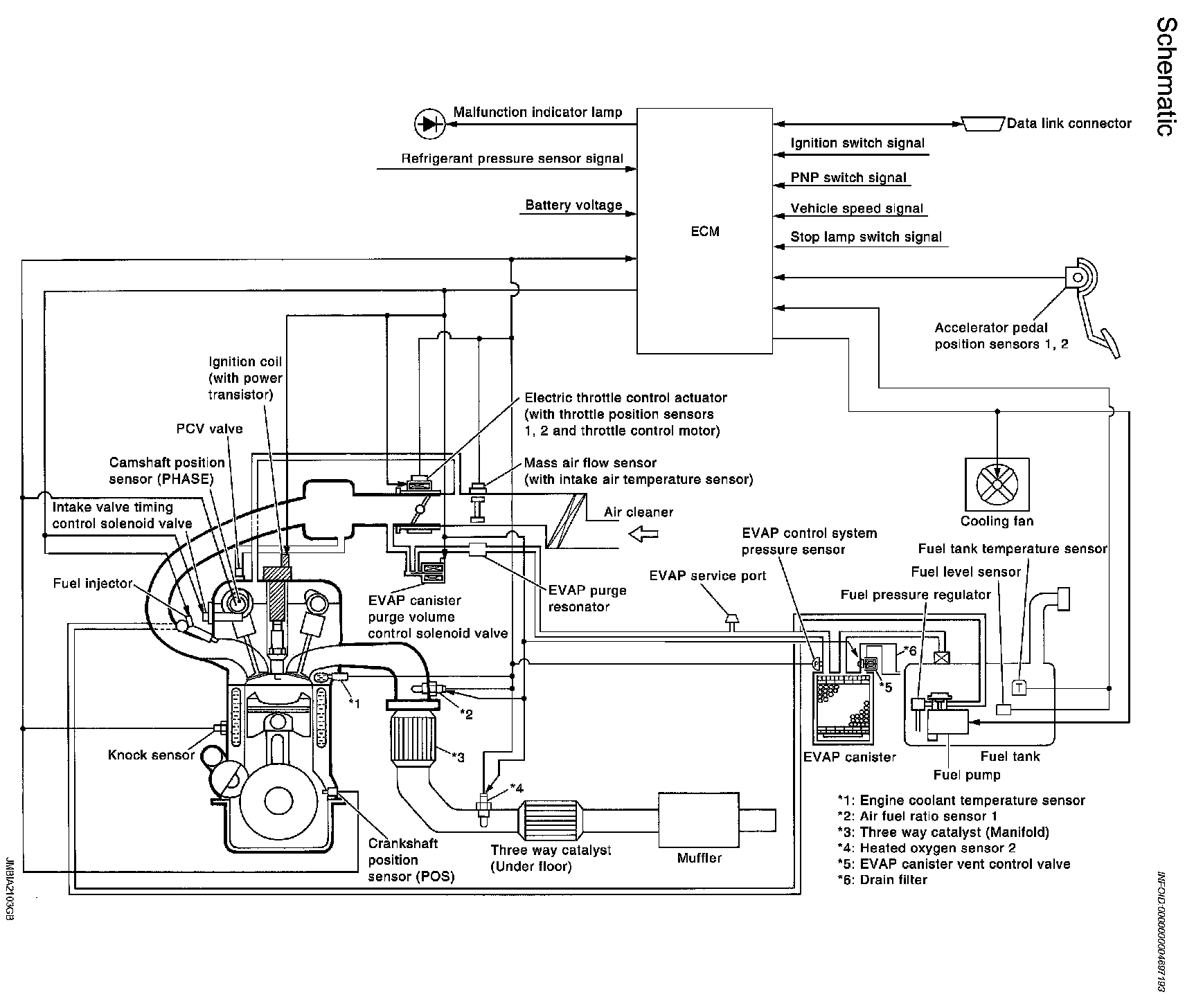
ENGINE CONTROL SYSTEM
Schematic