Curiosii for ever!
: Car repair manuals for everyone.
Home
>>
Nissan-Datsun
>>
2007
>>
Sentra L4-2.5L (QR25DE)
>>
Repair and Diagnosis
>>
Powertrain Management
>>
Relays and Modules - Powertrain Management
>>
Relays and Modules - Computers and Control Systems
>>
Engine Control Module
>>
Testing and Inspection
>>
Component Tests and General Diagnostics
Component Tests and General Diagnostics
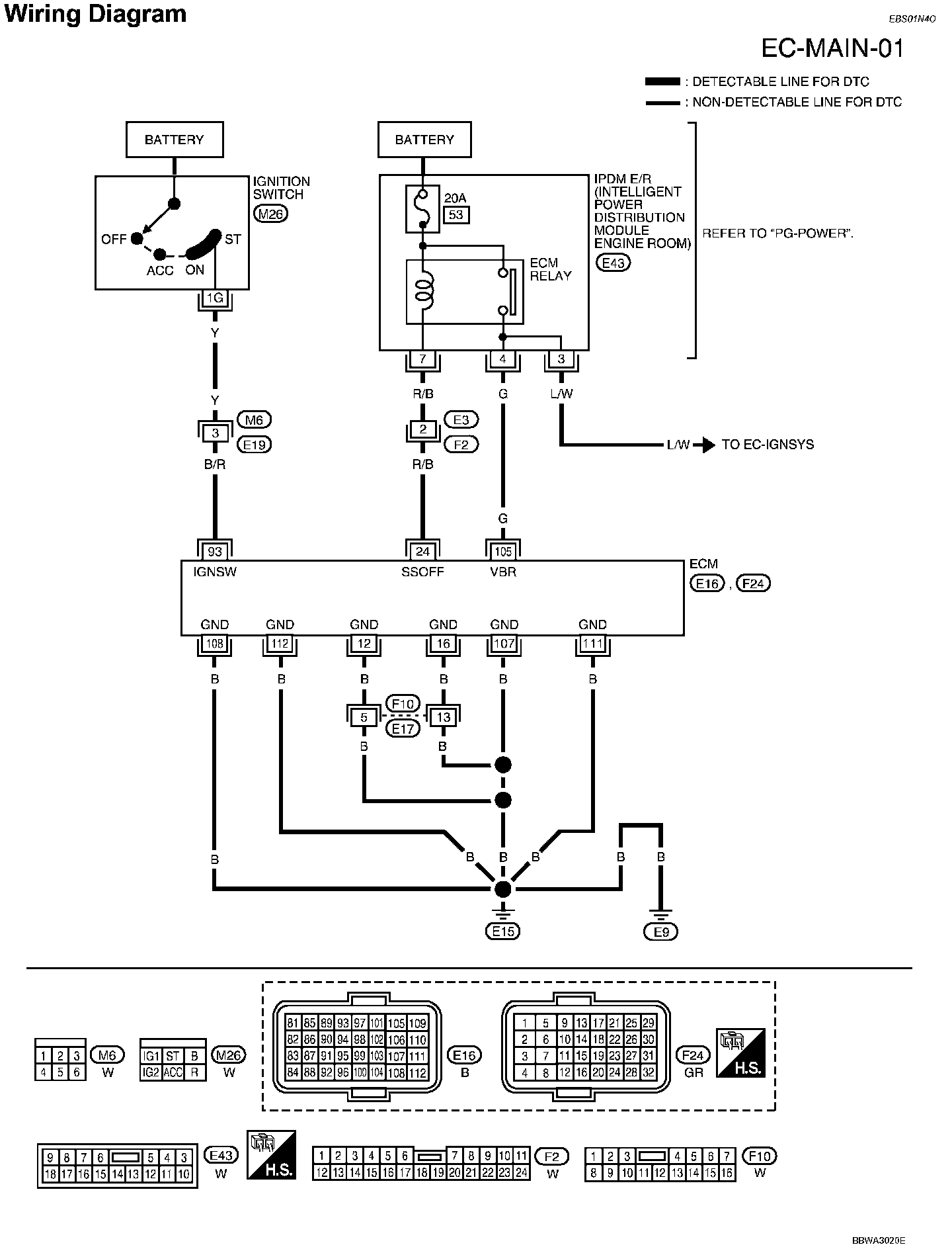
POWER SUPPLY AND GROUND CIRCUIT
EC-MAIN-01:
Wiring Diagram
Step 1-2:
Step 3-6:
Step 7-9:
Step 10-13:
Step 14-17:
Diagnostic Procedure