Curiosii for ever!
: Car repair manuals for everyone.
Home
>>
Nissan-Datsun
>>
2007
>>
Sentra L4-2.5L (QR25DE)
>>
Repair and Diagnosis
>>
Diagrams
>>
Electrical Diagrams
>>
Keyless Entry
>>
Intelligent Key System
>>
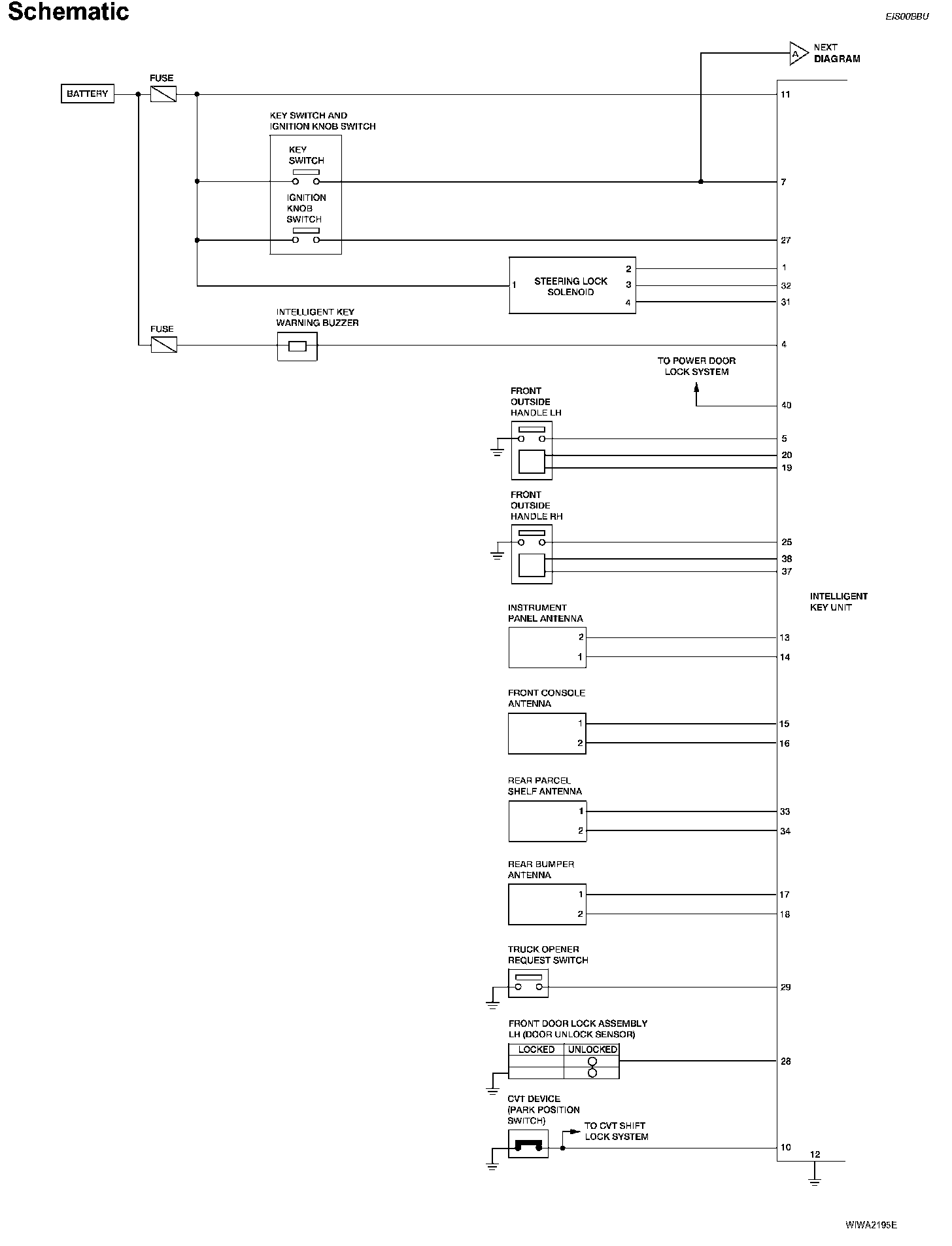
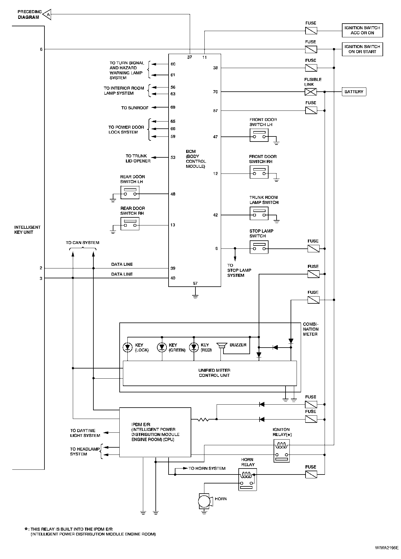
Intelligent Key System Schematic
Intelligent Key System Schematic
Intelligent Key System Schematic (Part 1):
Intelligent Key System Schematic (Part 2):