Curiosii for ever!
: Car repair manuals for everyone.
Home
>>
Nissan-Datsun
>>
2007
>>
Sentra L4-2.0L (MR20DE)
>>
Repair and Diagnosis
>>
Powertrain Management
>>
Computers and Control Systems
>>
Engine Control Module
>>
Testing and Inspection
>>
Component Tests and General Diagnostics
Component Tests and General Diagnostics
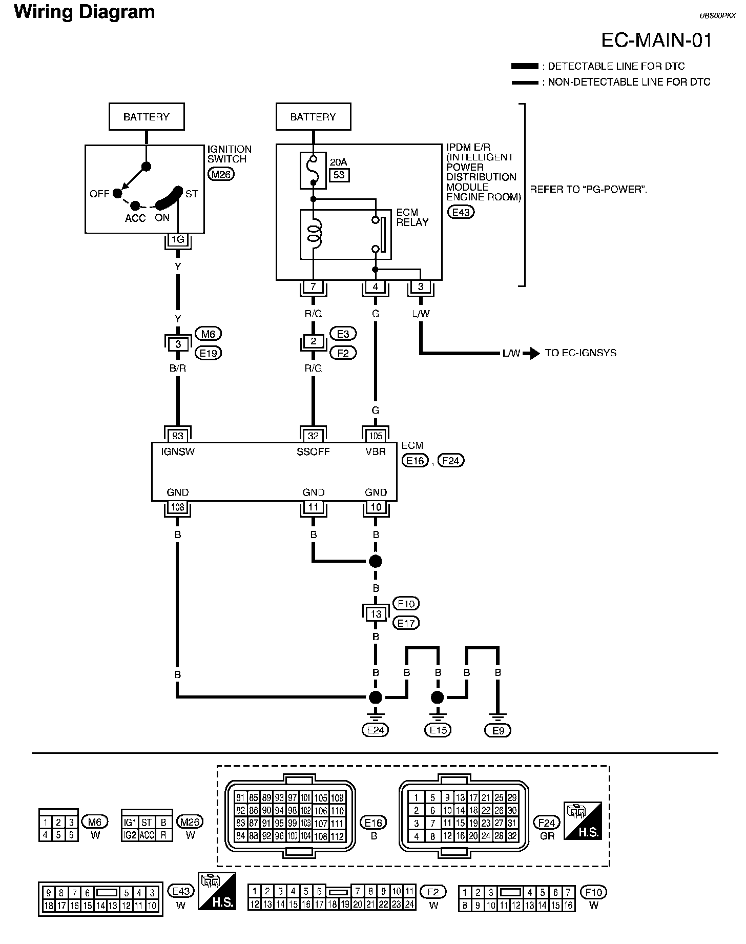
POWER SUPPLY AND GROUND CIRCUIT
EC-MAIN-01:
Wiring Diagram
Step 1-3:
Step 4-7:
Step 8-11:
Step 12-16:
Step 17:
Diagnostic Procedure