Curiosii for ever!
: Car repair manuals for everyone.
Home
>>
Nissan-Datsun
>>
2006
>>
Sentra L4-2.5L (QR25DE)
>>
Repair and Diagnosis
>>
Powertrain Management
>>
Relays and Modules - Powertrain Management
>>
Relays and Modules - Computers and Control Systems
>>
Body Control Module
>>
Diagrams
>>
Electrical Diagrams
>>
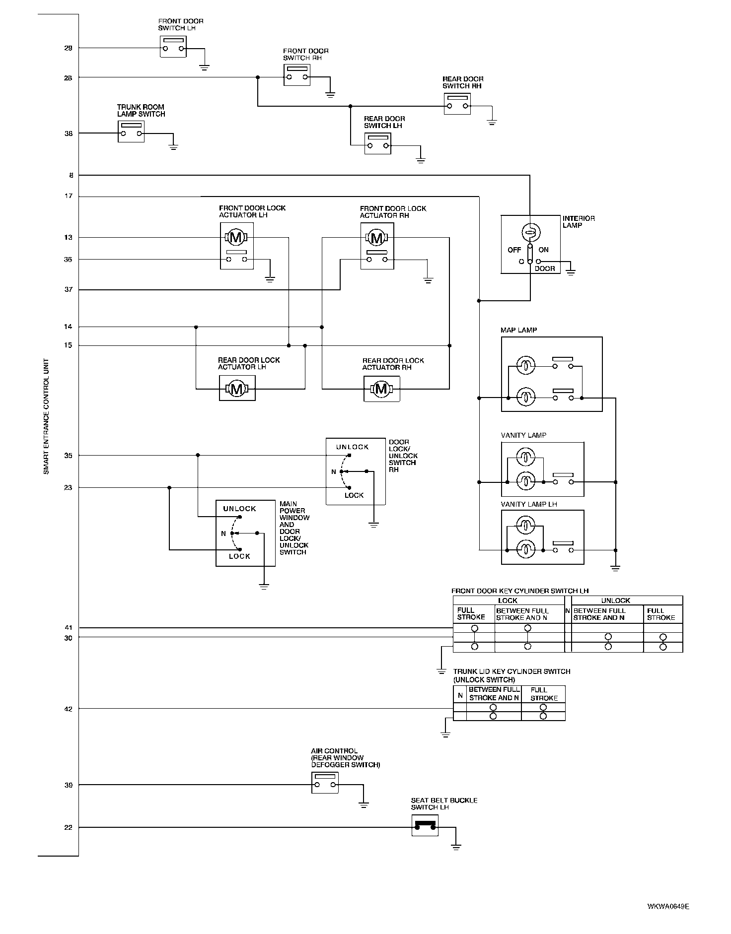
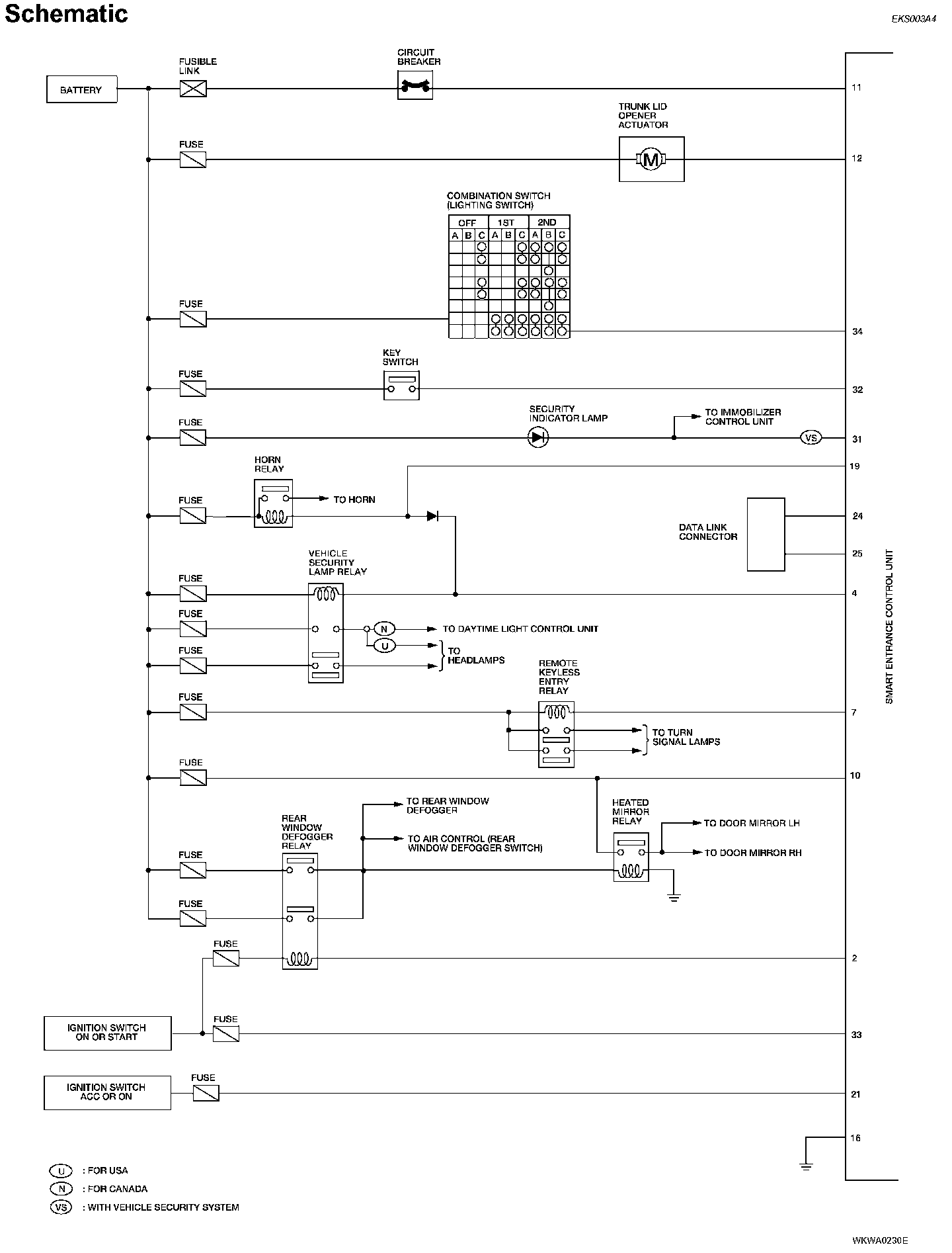
Smart Entrance Control Unit Schematic
Smart Entrance Control Unit Schematic
Smart Entrance Control Unit Schematic (Part 1):
Smart Entrance Control Unit Schematic (Part 2):