Curiosii for ever!
: Car repair manuals for everyone.
Home
>>
Nissan-Datsun
>>
2005
>>
Sentra L4-2.5L (QR25DE)
>>
Repair and Diagnosis
>>
Powertrain Management
>>
Emission Control Systems
>>
Diagrams
>>
Engine Control System Schematic
>>
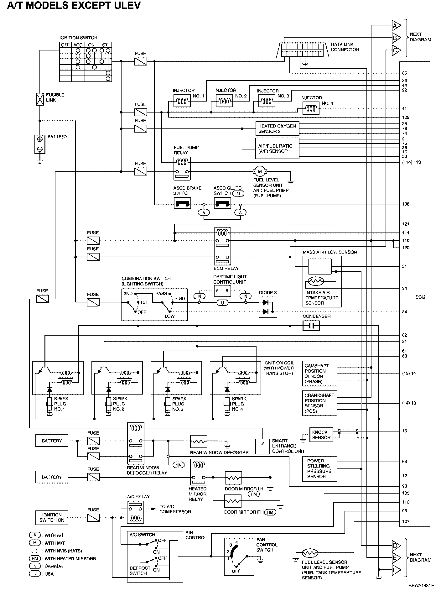
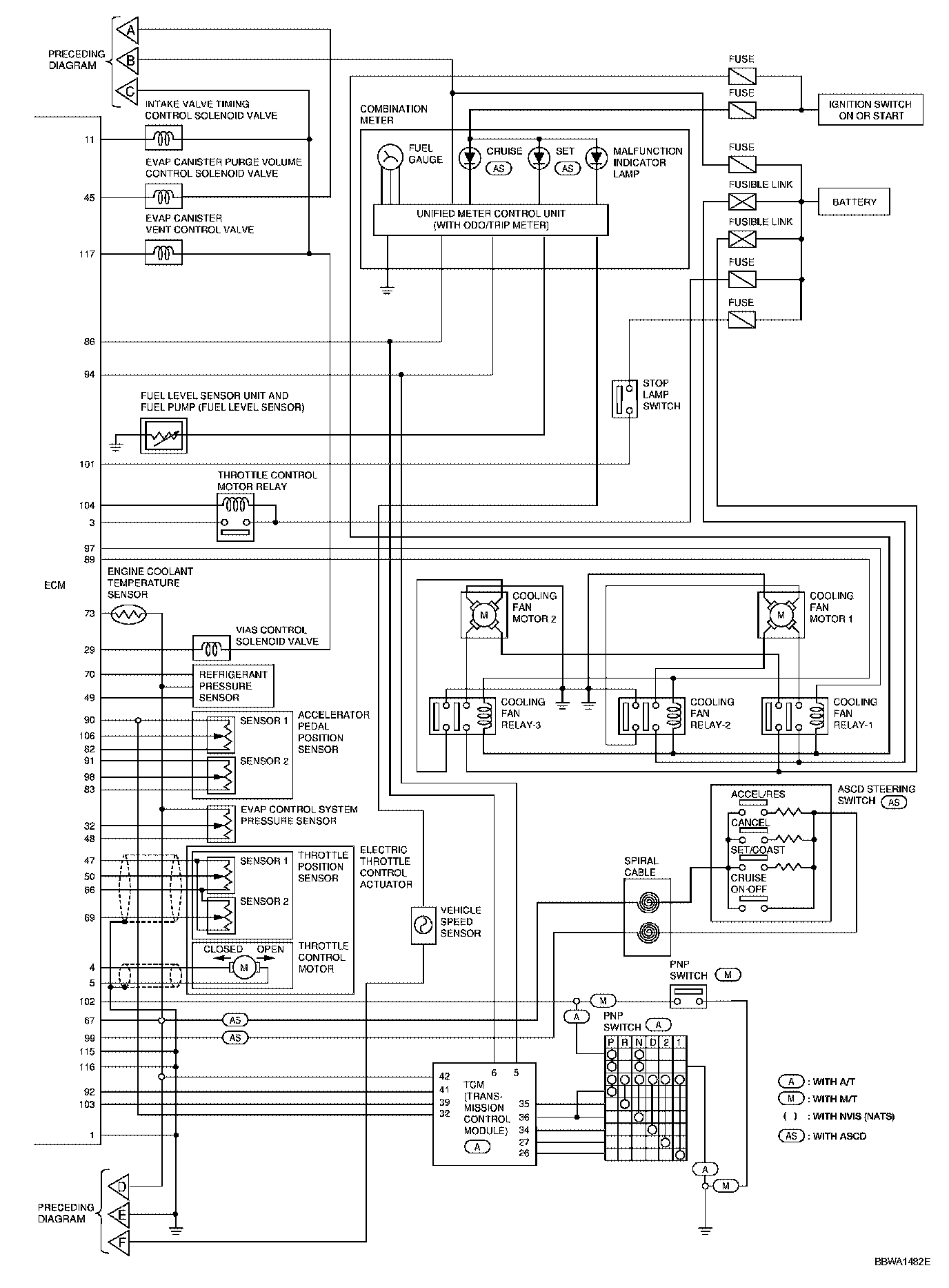
A/T Models Except ULEV
A/T Models Except ULEV
Engine Control System Schematic Part 1:
Engine Control System Schematic Part 2: