Curiosii for ever!: Car repair manuals for everyone.

Component Tests and General Diagnostics

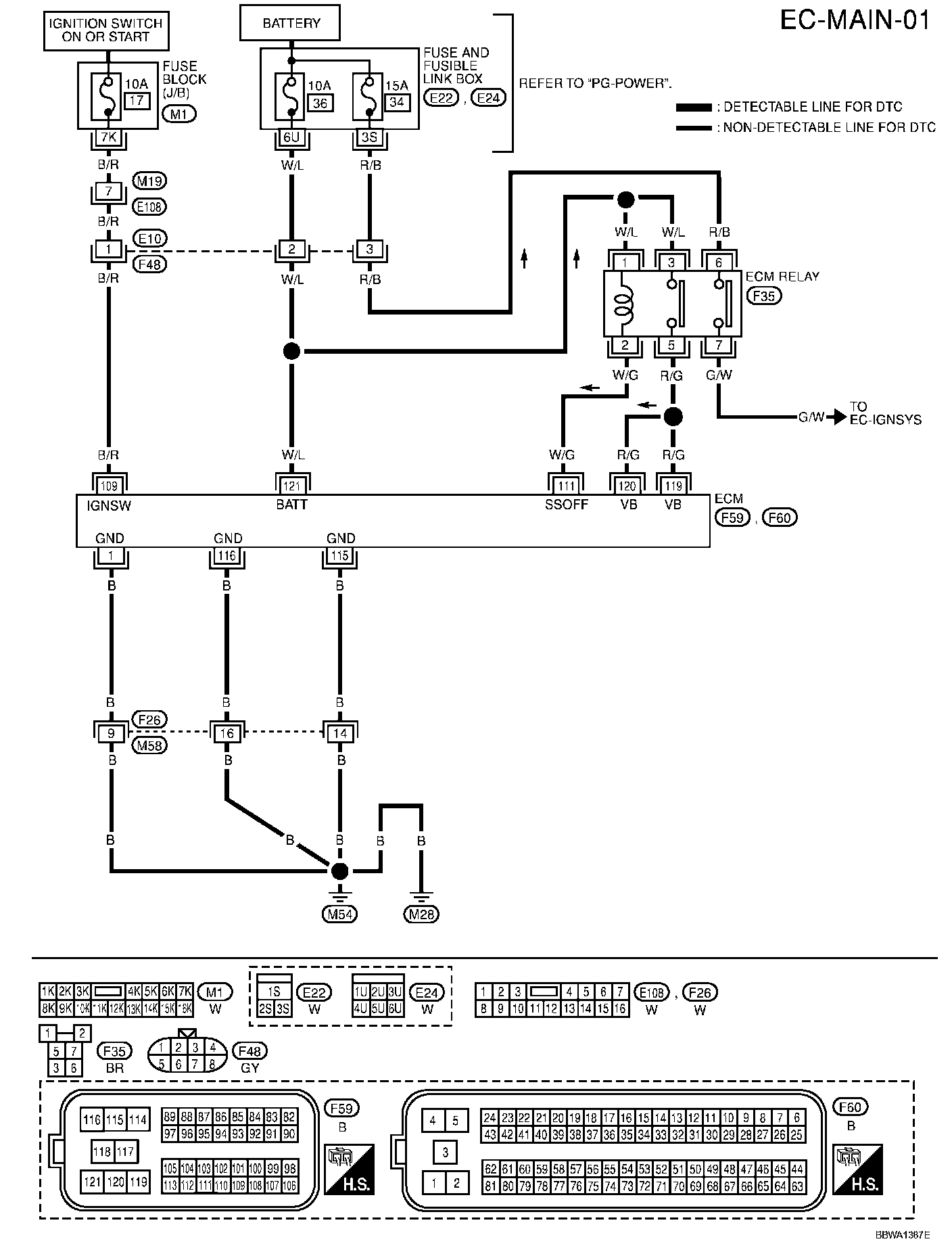
POWER SUPPLY AND GROUND CIRCUIT

EC-MAIN-01:







Wiring Diagram

Diagnostic Procedure (Steps 1 - 2):




Diagnostic Procedure (Steps 3 - 5):




Diagnostic Procedure (Steps 6 - 9):




Diagnostic Procedure (Steps 10 - 12):




Diagnostic Procedure (Steps 13 - 17):




Diagnostic Procedure

Component Inspection

ECM RELAY
1. Apply 12 V direct current between ECM relay terminals 1 and 2.




2. Check continuity between relay terminals 3 and 5, 6 and 7.
3. If NG, replace ECM relay.