Curiosii for ever!: Car repair manuals for everyone.

Air Flow Meter/Sensor: Service and Repair

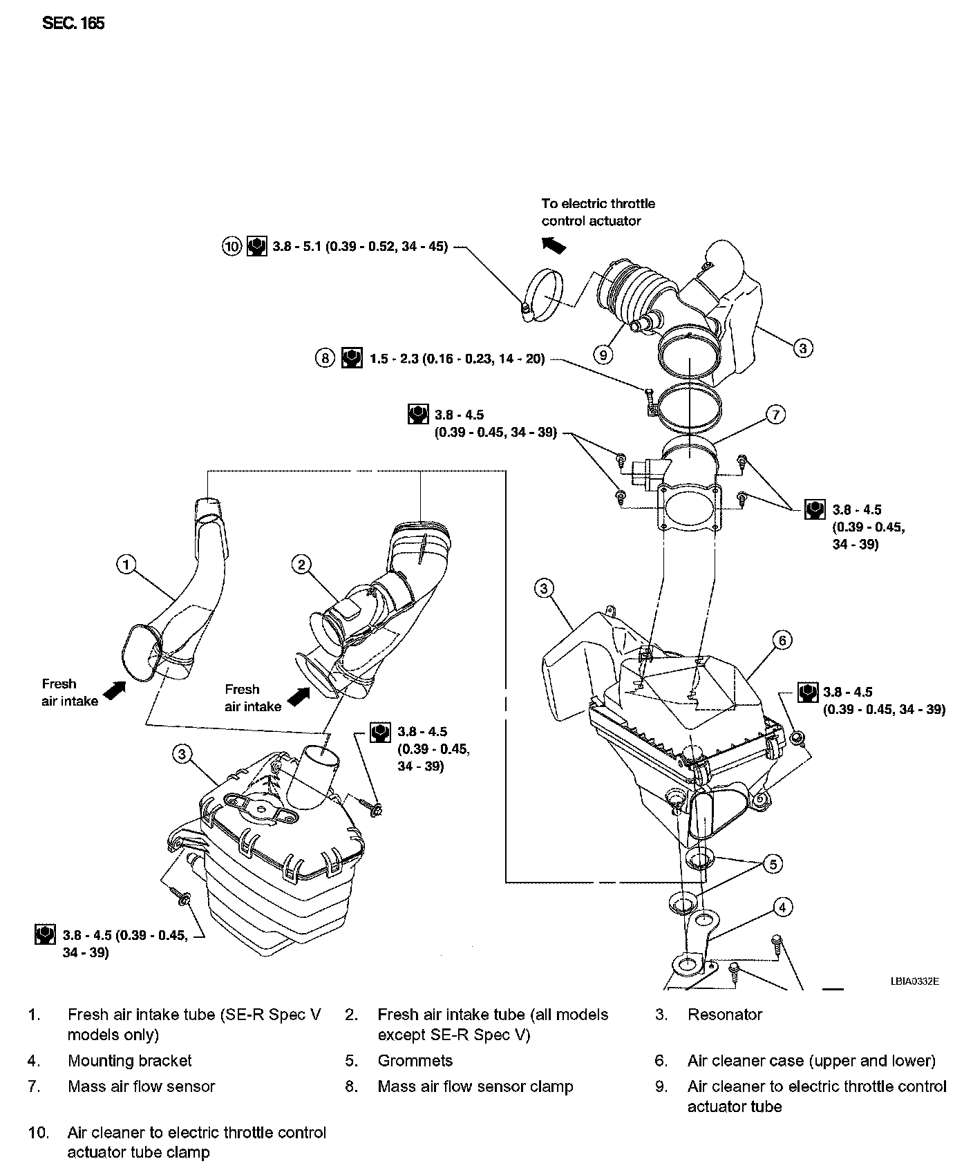
AIR CLEANER AND AIR DUCT






Removal and Installation
REMOVAL
1. Disconnect the mass air flow sensor electrical connector.
2. Disconnect the tube clamp at the electric throttle control actuator.
3. Remove air cleaner to electric throttle control actuator tube and air cleaner case (upper) with the mass air flow sensor attached.
4. Remove mass air flow sensor from air cleaner case (upper), as necessary.

CAUTION: Handle the mass air flow sensor with care:
^ Do not shock it.
^ Do not disassemble it.
^ Do not touch the internal sensor.

5. Remove the air cleaner element, as necessary and replace it with a new element.
6. Remove the air cleaner case (lower).

INSTALLATION
Installation is in the reverse order of removal.
^ Attach each joint according to the alignment marks made during removal. Screw all clamps firmly.