Curiosii for ever!
: Car repair manuals for everyone.
Home
>>
Nissan-Datsun
>>
2005
>>
Sentra L4-2.5L (QR25DE)
>>
Repair and Diagnosis
>>
Body and Frame
>>
Body Control Systems
>>
Body Control Module
>>
Diagrams
>>
Electrical Diagrams
>>
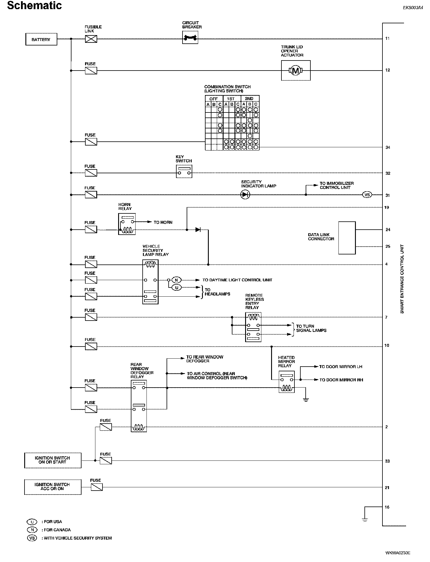
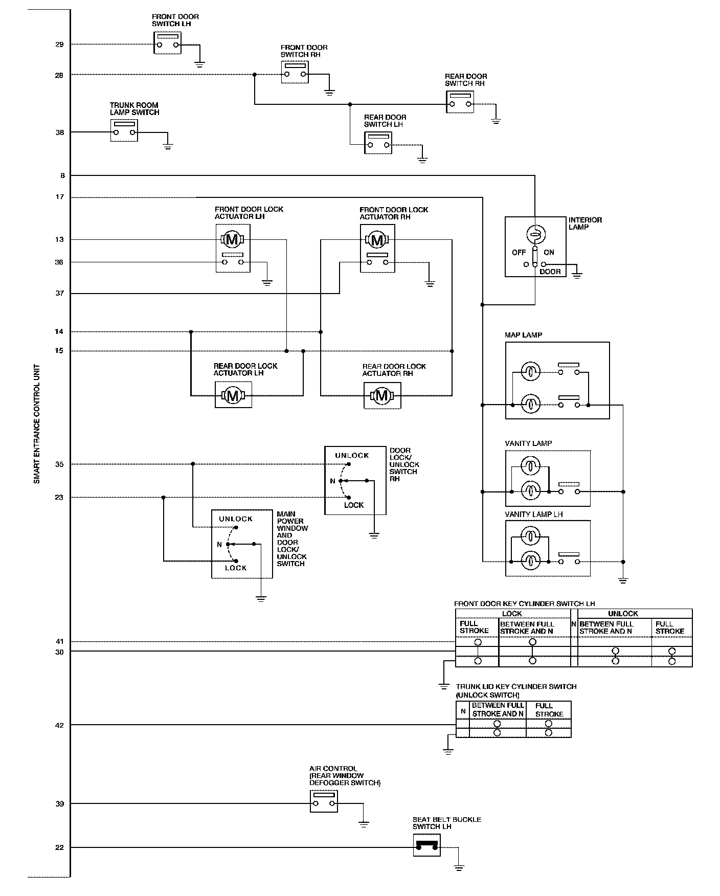
Smart Entrance Control Unit Schematic
Smart Entrance Control Unit Schematic
Smart Entrance Control Unit Schematic Part 1:
Smart Entrance Control Unit Schematic Part 2: