Curiosii for ever!: Car repair manuals for everyone.

Control System

Control System
OUTLINE





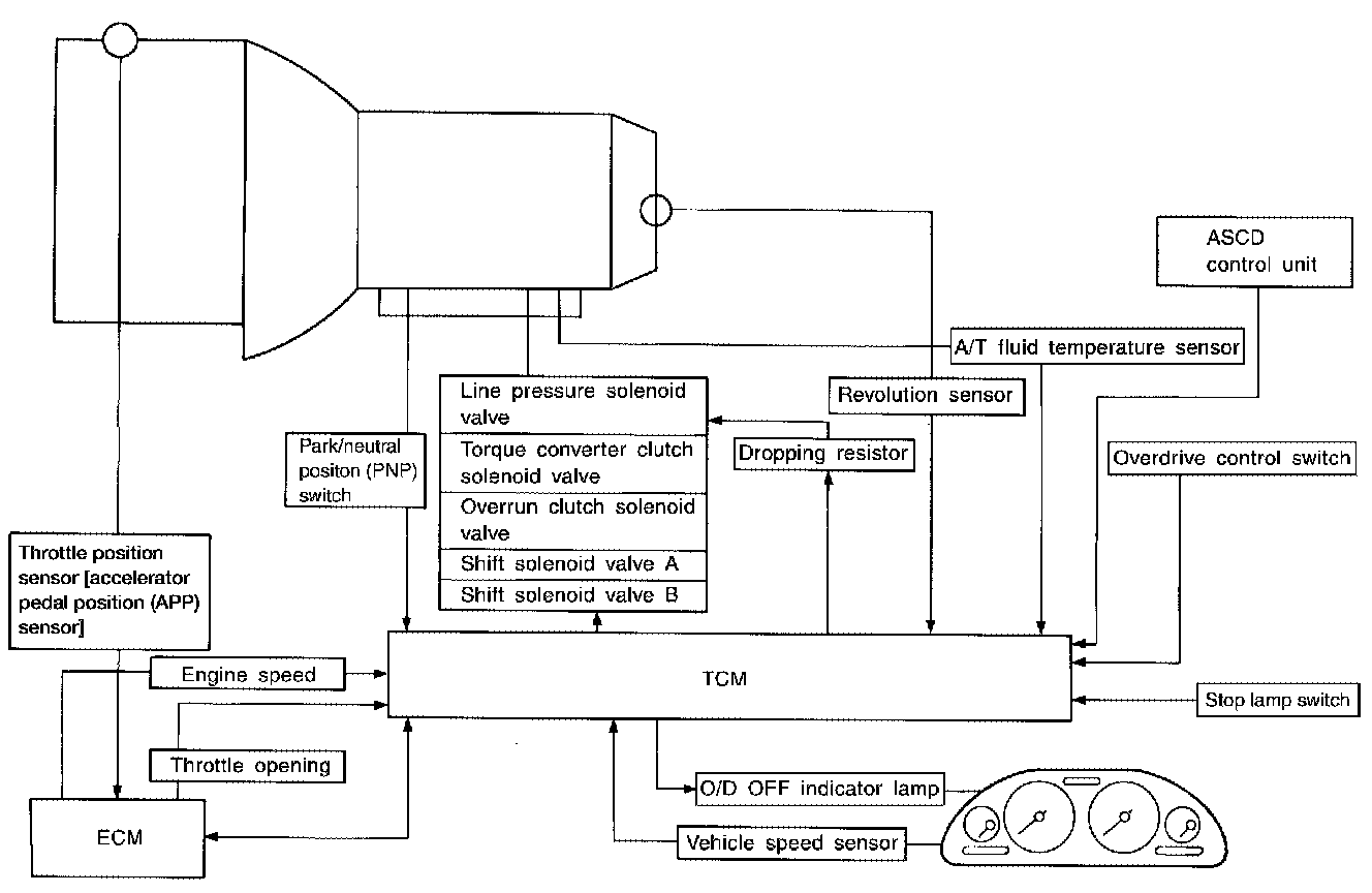
The automatic transaxle senses vehicle operating conditions through various switches and sensors. It always controls the optimum shift position and reduces shifting and lock-us shocks.





CONTROL SYSTEM

TCM FUNCTION
The function of the TCM is to:
^ Receive input signals sent from various switches and sensors.
^ Determine required line pressure, shifting point, lock-up operation, and engine brake operation.
^ Send required output signals to the respective solenoids.





INPUT/OUTPUT SIGNAL OF TCM