Component Tests and General Diagnostics
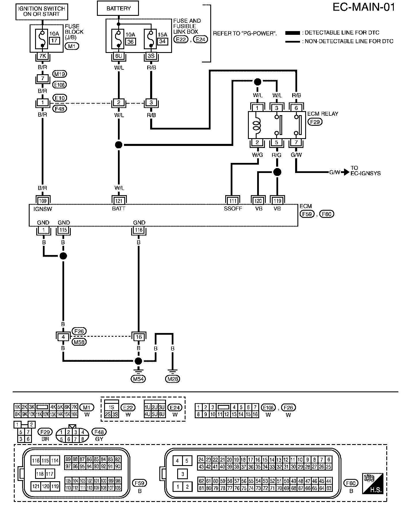
POWER SUPPLY AND GROUND CIRCUITEC-MAIN-01:
Wiring Diagram
Diagnostic Procedure (Steps 1 - 2):
Diagnostic Procedure (Steps 3 - 6):
Diagnostic Procedure (Steps 7 - 9):
Diagnostic Procedure (Steps 10 - 12):
Diagnostic Procedure (Steps 13 - 16):
Diagnostic Procedure (Steps 17 - 19):
Diagnostic Procedure