Curiosii for ever!
: Car repair manuals for everyone.
Home
>>
Nissan-Datsun
>>
2004
>>
Sentra L4-2.5L (QR25DE)
>>
Repair and Diagnosis
>>
Diagrams
>>
Exploded Views
>>
Engine
>>
Engine Mount
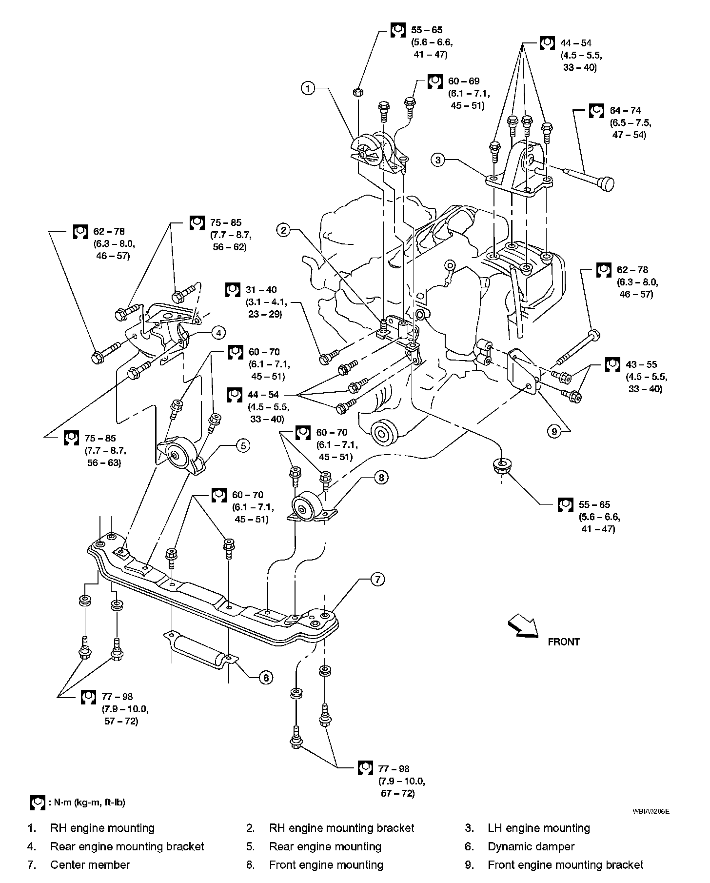
Engine Mount
2.5L (QG25DE):
1.8L (QG18DE):