Curiosii for ever!
: Car repair manuals for everyone.
Home
>>
Nissan-Datsun
>>
2004
>>
Maxima V6-3.5L (VQ35)
>>
Repair and Diagnosis
>>
Body and Frame
>>
Body Control Systems
>>
Body Control Module
>>
Diagrams
>>
Electrical Diagrams
Electrical Diagrams
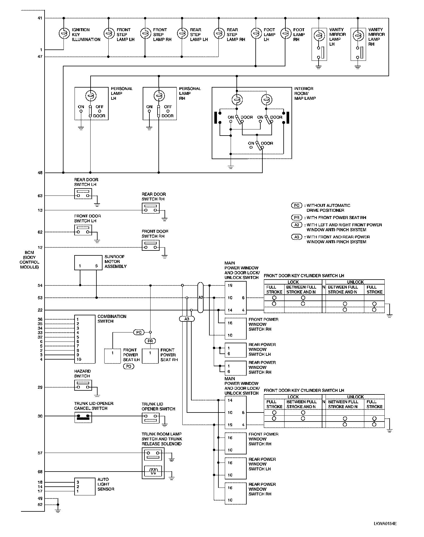
BCM (Body Control Module Schematic) Part 1:
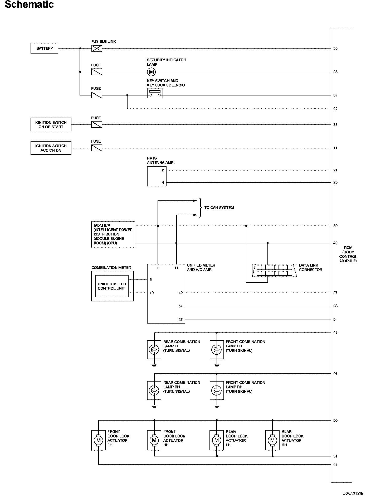
BCM (Body Control Module Schematic) Part 2: