Curiosii for ever!: Car repair manuals for everyone.

Torque Specifications



2.5L (QG25DE):






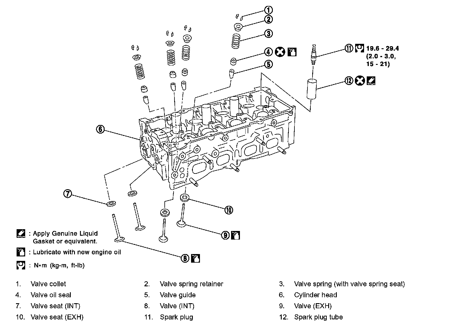
CYLINDER HEAD - Torque Specs


Cylinder Head - 2.5L (QR25DE):




Cylinder Head - 2.5L (QR25DE):














Cylinder head bolts
Step 1: 98.1 Nm (10 kg-m, 72 ft. lbs.)
Step 2: 0 Nm (0 kg-m, 0 ft. lbs.) (loosen)
Step 3: 34.3 - 44.1 Nm (3.5 - 4.4 kg-m, 26 -32 ft. lbs.)
Step 4: 75° - 80° (target: 75°) clockwise
Phase 5: 75° - 80° (target: 75°) clockwise




Outer Diameter of Cylinder Head Bolts







Cylinder head bolts are tightened by the plastic zone (Torque-to-yeild) tightening method. Whenever the size difference between d1 and d2 exceeds the limit, replace the bolts with new ones.

- Subtract the head bolt diameter measurement taken at d2 from the head bolt diameter measurement taken at d1. If the difference between d1 and d2 exceeds the limit, replace the bolts with new ones.

Limit (d1 - d2):.......................0.23 mm (0.0091 inch) or less

If reduction of outer diameter appears in a position other than d2, use it as d2 point.


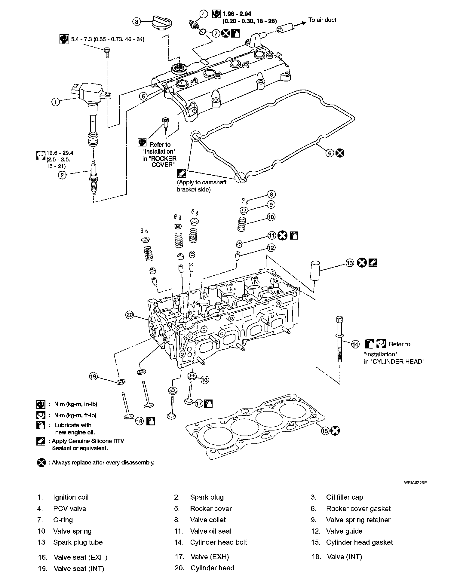
ROCKER COVER


Rocker Cover - 2.5L (QR25DE):















Tighten the rocker cover bolts in two steps, in the numerical order as shown.

Rocker cover bolt: 1.0 - 2.9 Nm (0.1 - 0.3 kg-m, tightening 1st step 9 - 26 inch lbs.)
Rocker cover bolt: 7.4 - 9.3 Nm (0.75 - 0.95 kg-m, tightening 2nd step 65- 82 inch lbs.)






EXHAUST MANIFOLD AND THREE WAY CATALYST


EXHAUST MANIFOLD AND THREE WAY CATALYST:







Exhaust Manifold Sequence:







Surface Distortion
Standard:........................0.3 mm (0.012 inch)




WATER PUMP


WATER PUMP - 2.5L (QG25DE):







THERMOSTAT AND THERMOSTAT HOUSING

THERMOSTAT AND THERMOSTAT HOUSING:







TIMING CHAIN


TIMING CHAIN - 2.5L (QR25DE):







Timing Chain Front Cover Bolt Sequence:




IVT Control Cover Bolt Sequence:







Front cover bolts:..................12 - 13 Nm (1.2 - 1.4 kg-m, 9 - 10 ft. lbs.)


Balancer Unit Bolt Sequence:






1. Tighten to 45.2 - 51.0 Nm (4.6 - 5.2 kg-m, 34 - 37 ft. lbs.).
Turn them another 90° - 95° degrees (Target: 90° degrees).

2. Fully loosen in the reverse order of tightening to 0 Nm (0 kg-m, 0 ft. lbs.).

3. Tighten them to 45.2 - 51.0 Nm (4.6 - 5.2 kg-m, 34 - 37 ft. lbs.).





INTAKE MANIFOLD


Intake Manifold - 2.5L (QR25DE):





Intake Manifold Sequence:






Tightening Intake Manifold Bolts and Nuts
Install the intake manifold bolts and nuts in the numerical order of the tightening sequence as shown.

CAUTION: After tightening No.5, retighten the No.1 mounting bolt to specification.







Tightening Intake Manifold Collector Bolts and Nuts

Tighten in numerical order as shown.

CAUTION: After tightening No.7, retighten the No.1 mounting bolt to specification.

Installation of Electric Throttle Control Actuator:
Tighten the mounting bolts of electric throttle control actuator equally and diagonally in several steps.

Electric throttle control actuator mounting bolts: 7.2 - 9.6 Nm (0.74 - 0.98 kg-m, 64 - 84 inch lbs.)


OIL PUMP

Oil Pump:









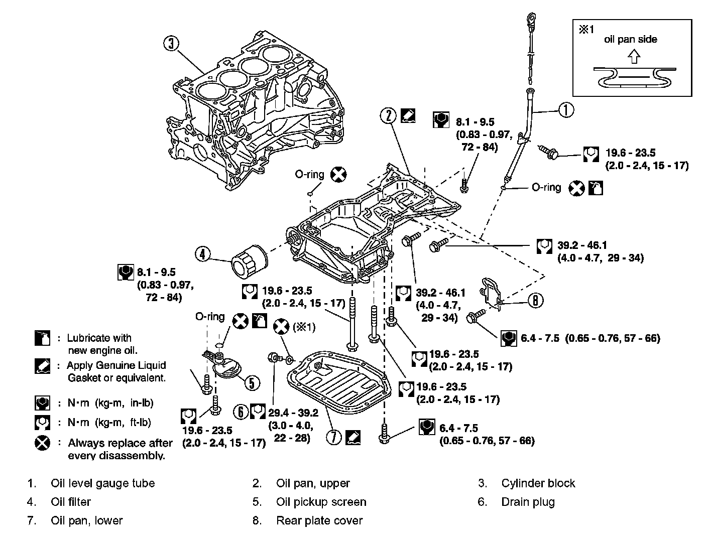
OIL PAN AND OIL STRAINER


OIL PAN - 2.5L (QR25DE):









Tighten the upper oil pan bolts in the order as shown.

Bolt No.10,11,18 indicate a double tightening in the sequence of bolt No's 1, 2, 3.

Specified bolt sizes:
M6 x 20 mm (0.79 inch): No.19, 20
M8 x 25 mm (0.98 inch): No.1, 3, 4, 9
M8x45 mm (1.77 inch): No.2, 5, 6, 7, 8,17
M8 x100 mm (3.97 inch): No.12, 13,14, 15, 16




CYLINDER BLOCK - Torque Specs

CYLINDER BLOCK - 2.5L (QR25DE):







Connecting rod bolt
Step 1: 18.6 - 20.6 Nm (1.9 - 2.1 kg-m, 14 -15 ft. lbs.)
Step 2: 85° - 95° (target 90° degrees)









Tighten lower cylinder block mounting bolts in the numerical order shown and according to the following steps:

NOTE: Apply new engine oil to threads and seat surfaces of the mounting bolts.

Lower cylinder block mounting bolts
Step 1 (bolts 1 - 10): 36.3 - 42.2 Nm (3.7 - 4.3 kg-m, 27 - 31 ft. lbs.)
Step 2 (bolts 1-10): 60 - 65 (target 60)
Step 3 (bolts 11 - 22): 19.6 - 24.5 Nm (2.0 - 2.5 kgm, 15 -18 ft. lbs.)




Cylinder block heater: ...................69 - 78 Nm (7.0 - 8.0 kg-m, 51 - 57 ft. lbs.)


Knock sensor bolt: ................15.7 - 26.5 Nm (1.6 - 2.7 kg-m, 1 2 - 1 9 ft. lbs.)


Crankshaft position sensor bolt: .........................5.4 - 7.3 Nm (0.55 - 0.75 kg-m, 48 - 65 inch lbs.)





CAMSHAFT - Torque Specs


Camshafts - 2.5L (QR25DE):










Tighten fixing bolts of camshaft brackets as follows.
a. Tighten in the order from 9 to 11 with tightening torque 2.0 Nm (0.2 kg-m, 17 inch lbs.).
b. Tighten in the order from 1 to 8 with tightening torque 2.0 Nm (0.2 kg-m, 17 inch lbs.).
c. Tighten all bolts in specified order with tightening torque 5.9 Nm (0.6 kg-m, 52 inch lbs.).
d. Tighten in the order from 1 to 11 with tightening torque 9.0 to 11.3 Nm (0.92 to 1.2 kg-m, 30 to 104 inch lbs.).