Curiosii for ever!: Car repair manuals for everyone.

Component Tests and General Diagnostics

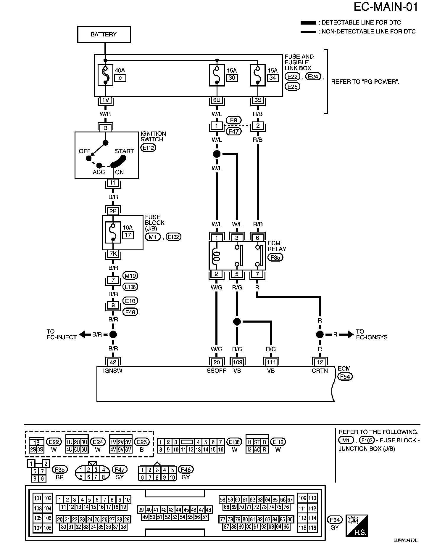
EC-MAIN-01:







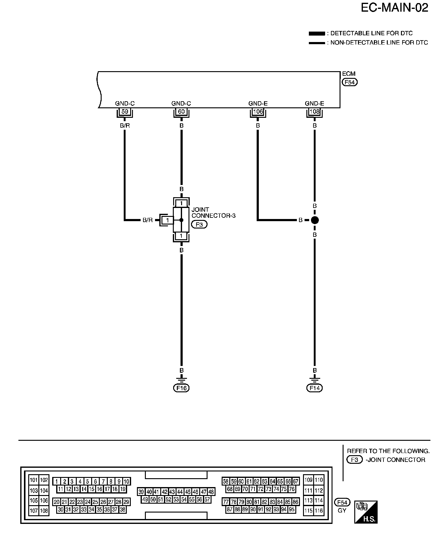
EC-MAIN-02:







Wiring Diagram

Diagnostic Procedure Step 1 - 3:




Diagnostic Procedure Step 4 - 7:




Diagnostic Procedure Step 8 - 10:




Diagnostic Procedure Step 11 - 15:




Diagnostic Procedure Step 16:




Diagnostic Procedure

Component Inspection

ECM RELAY







1. Apply 12 V direct current between ECM relay terminals 1 and 2.
2. Check continuity between relay terminals 3 and 5, 6 and 7.
3. If NG, replace ECM relay.