Curiosii for ever!
: Car repair manuals for everyone.
Home
>>
Nissan-Datsun
>>
2003
>>
Sentra L4-2.5L (QR25DE)
>>
Repair and Diagnosis
>>
Powertrain Management
>>
Computers and Control Systems
>>
Relays and Modules - Computers and Control Systems
>>
Engine Control Module
>>
Diagrams
>>
Diagram Information and Instructions
>>
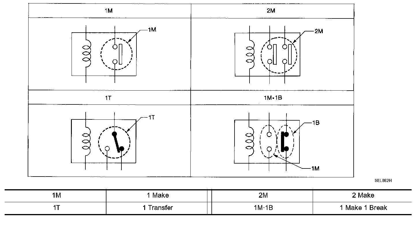
How to Read Relay Diagrams
How to Read Relay Diagrams
Normal Open, Normal Closed And Mixed Type Relays:
Type Of Standardized Relays Part 1:
Type Of Standardized Relays Part 2: