Curiosii for ever!
: Car repair manuals for everyone.
Home
>>
Nissan-Datsun
>>
2003
>>
Sentra L4-2.5L (QR25DE)
>>
Repair and Diagnosis
>>
Diagrams
>>
Electrical Diagrams
>>
Powertrain Management
>>
Computers and Control Systems
>>
Body Control Module
Body Control Module
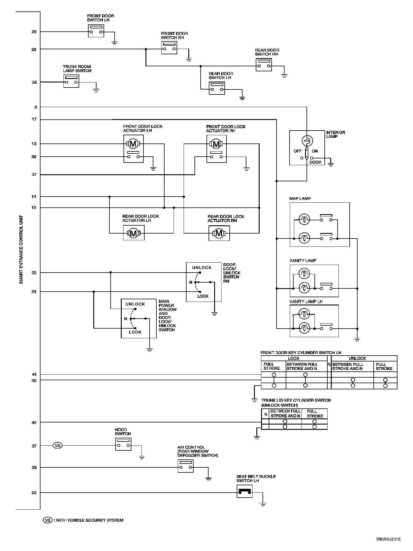
Schematic Part 1:
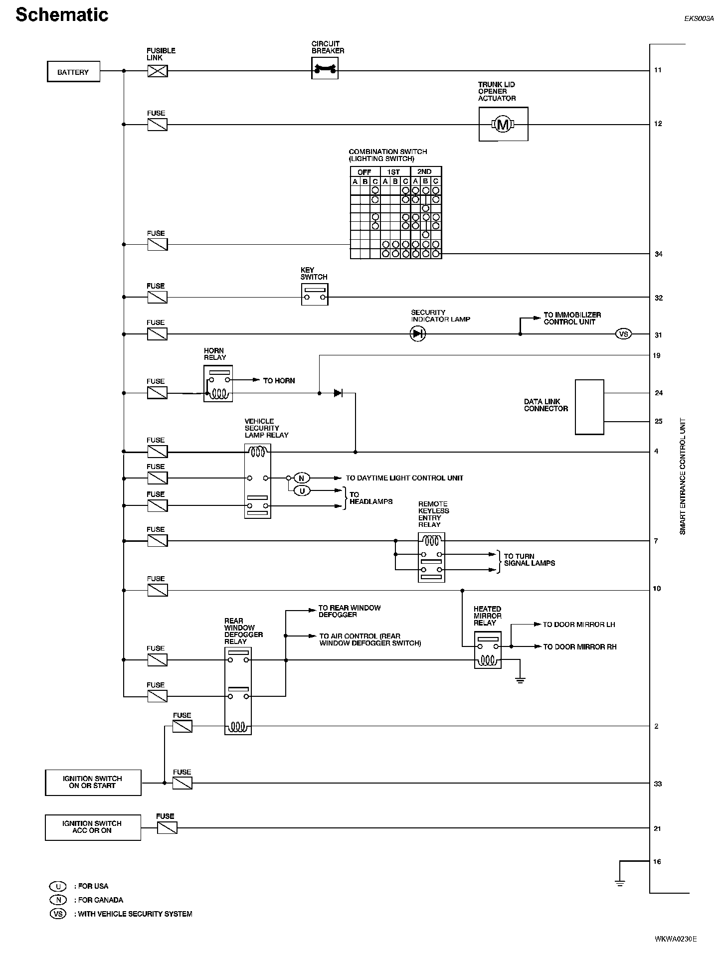
Schematic Part 2:
Electrical Units - Terminal Arrangement: