Curiosii for ever!
: Car repair manuals for everyone.
Home
>>
Nissan-Datsun
>>
2003
>>
Maxima V6-3.5L (VQ35)
>>
Repair and Diagnosis
>>
Powertrain Management
>>
Computers and Control Systems
>>
Relays and Modules - Computers and Control Systems
>>
Engine Control Module
>>
Testing and Inspection
>>
Component Tests and General Diagnostics
Component Tests and General Diagnostics
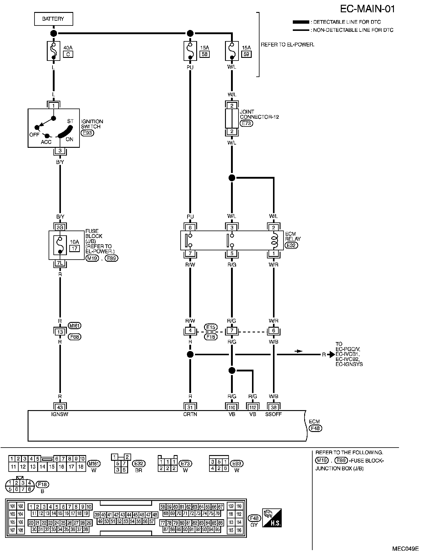
EC-MAIN-01:
EC-MAIN-02:
Diagnostic Procedure Step 1 - 4:
Diagnostic Procedure Step 5 - 8:
Diagnostic Procedure Step 9 - 10:
Diagnostic Procedure Step 11 - 14:
Diagnostic Procedure Step 15 - 16: