Curiosii for ever!
: Car repair manuals for everyone.
Home
>>
Nissan-Datsun
>>
2002
>>
Sentra SE-R Spec V L4-2.5L (QR25DE)
>>
Repair and Diagnosis
>>
Powertrain Management
>>
Computers and Control Systems
>>
Relays and Modules - Computers and Control Systems
>>
Electronic Throttle Actuator Relay
>>
Diagrams
>>
Electrical Diagrams
Electrical Diagrams
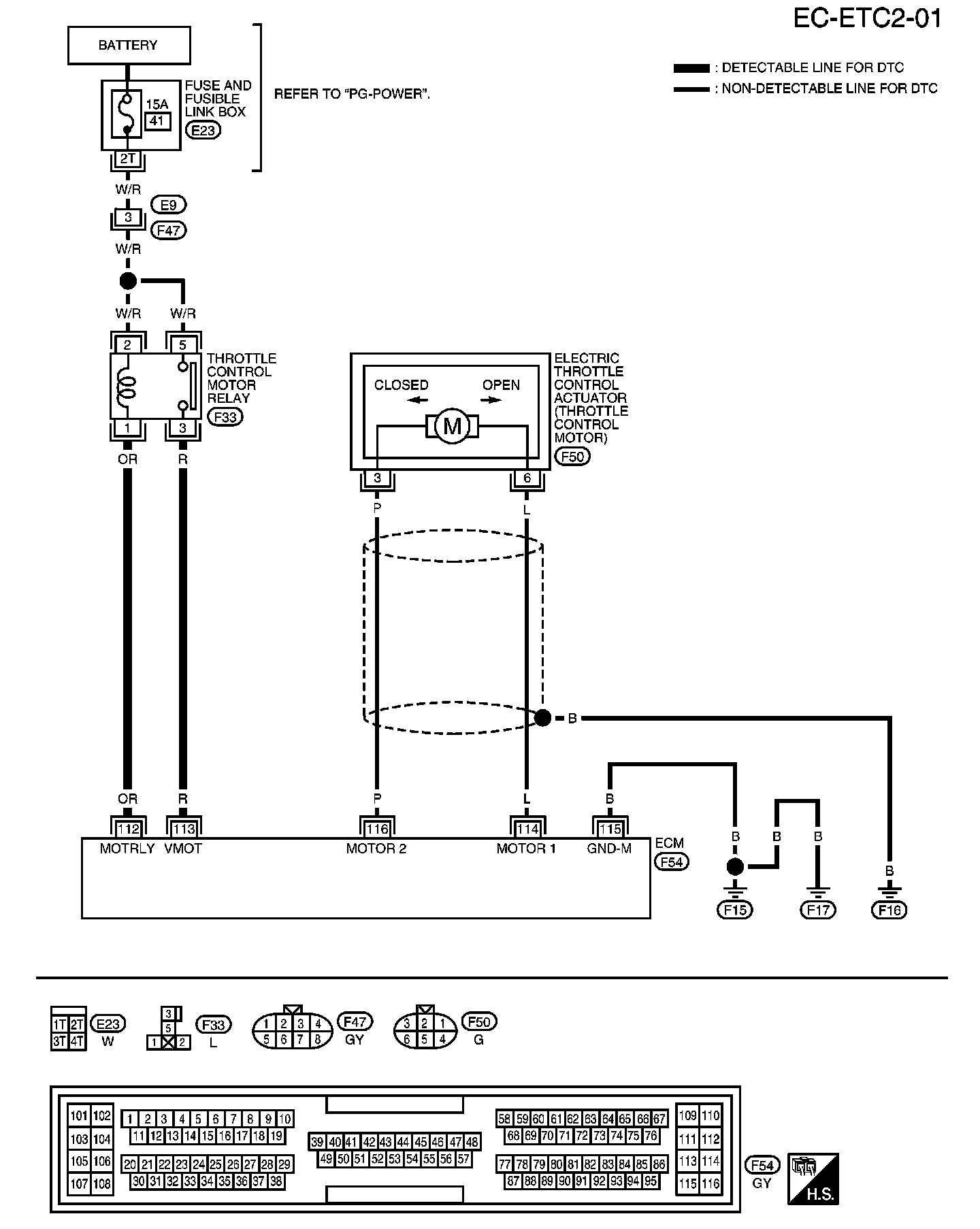
EC-ETC2-01: