Curiosii for ever!
: Car repair manuals for everyone.
Home
>>
Nissan-Datsun
>>
2002
>>
Sentra SE-R Spec V L4-2.5L (QR25DE)
>>
Repair and Diagnosis
>>
Diagrams
>>
Exploded Views
>>
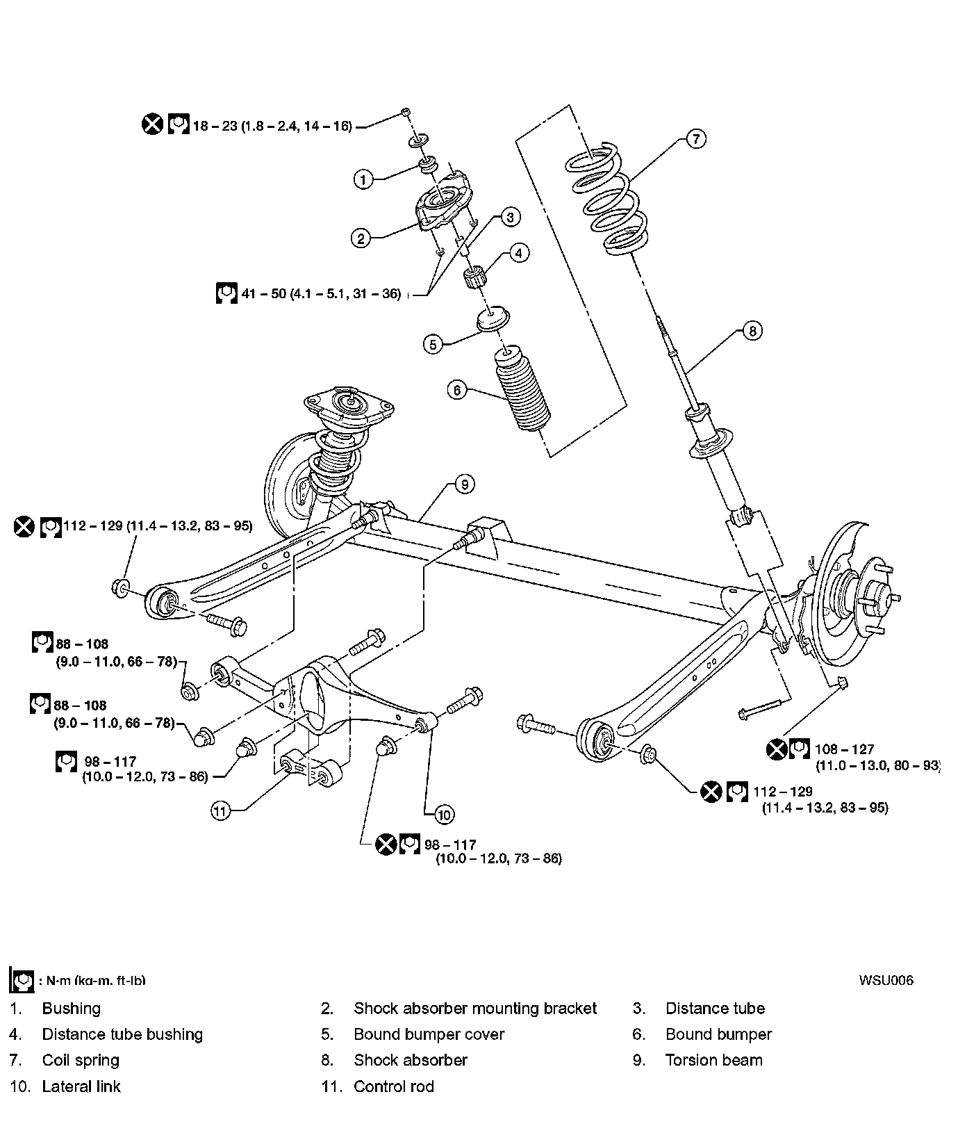
Suspension
>>
System Diagram
>>
Rear
Rear