Curiosii for ever!: Car repair manuals for everyone.

EC-TPS3

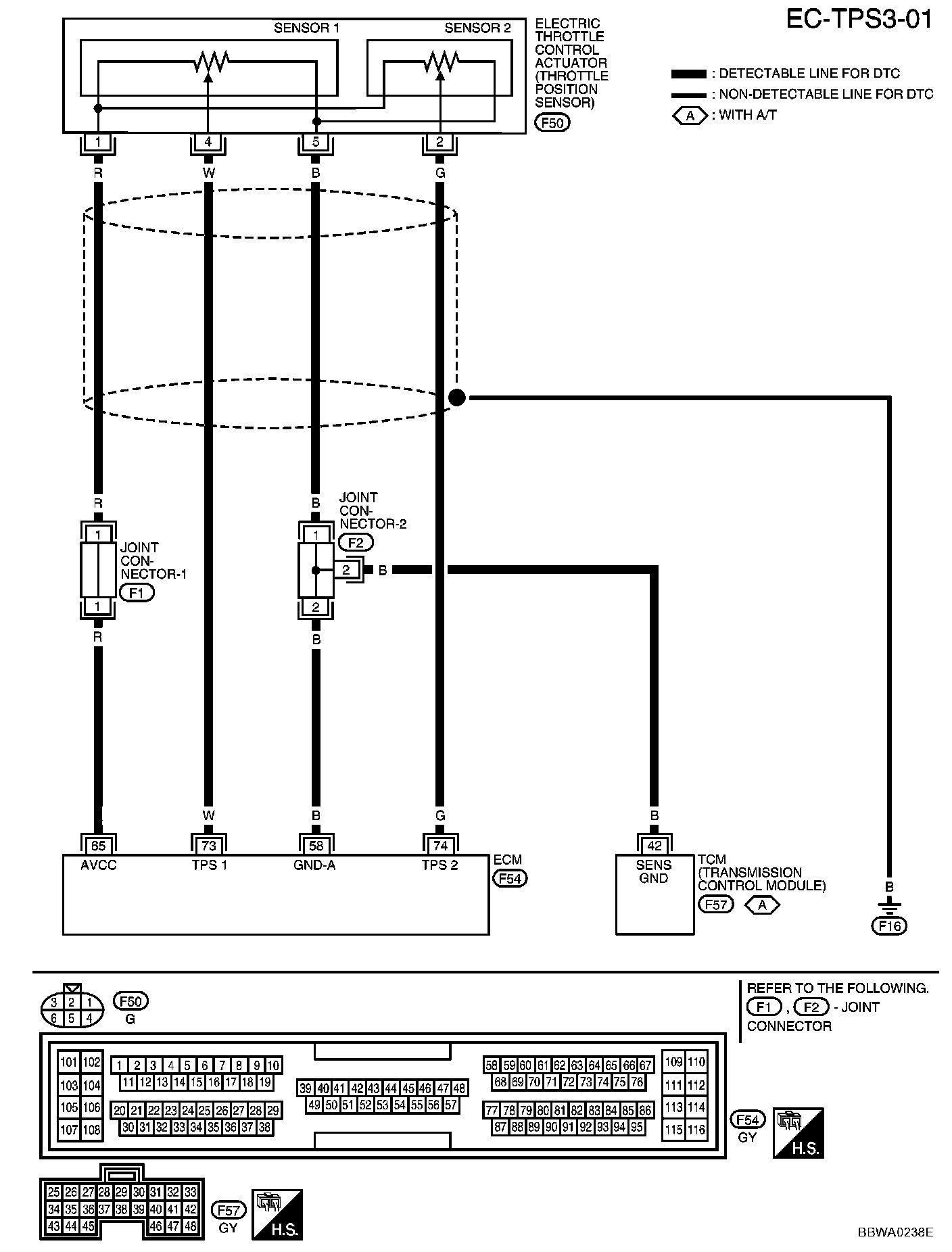
EC-TPS3-01: