Curiosii for ever!: Car repair manuals for everyone.

Turbine Revolution Sensor

Description





The turbine revolution sensor detects input shaft rpm (revolutions per minute). It is located on the input side of the automatic transaxle. The vehicle speed sensor A/T (Revolution sensor) is located on the output side of the automatic transaxle. With the two sensors, input and output shaft rpms are accurately detected. The result is optimal shift timing during deceleration and improved shifting.





ON BOARD DIAGNOSIS LOGIC

DIAGNOSTIC TROUBLE CODE (DTC) CONFIRMATION PROCEDURE

CAUTION:
- Always drive vehicle at a safe speed.
- If conducting this "DTC CONFIRMATION PROCEDURE" again, always turn ignition switch OFF and wait at least 5 seconds before continuing.
After the repair, perform the following procedure to confirm the malfunction is eliminated.

With CONSULT-II





1. Start engine.
2. Select "DATA MONITOR" mode for "A/T" with CONSULT-II.





3. Drive vehicle under the following conditions:
Selector lever in D, vehicle speed higher than 40 km/h (25 MPH), engine speed higher than 1,500 rpm, throttle opening greater than 1.0/8 of the full throttle position and driving for more than 5 seconds.

Without CONSULT-II
1. Start engine.
2. Drive vehicle under the following conditions:
Selector lever in "D" and vehicle speed higher than 40 km/h (25 MPH), engine speed higher than 1,500 rpm, throttle opening greater than 1/8 of the full throttle position and driving for more than 5 seconds.





3. Perform self-diagnosis. Reading and Clearing Diagnostic Trouble Codes








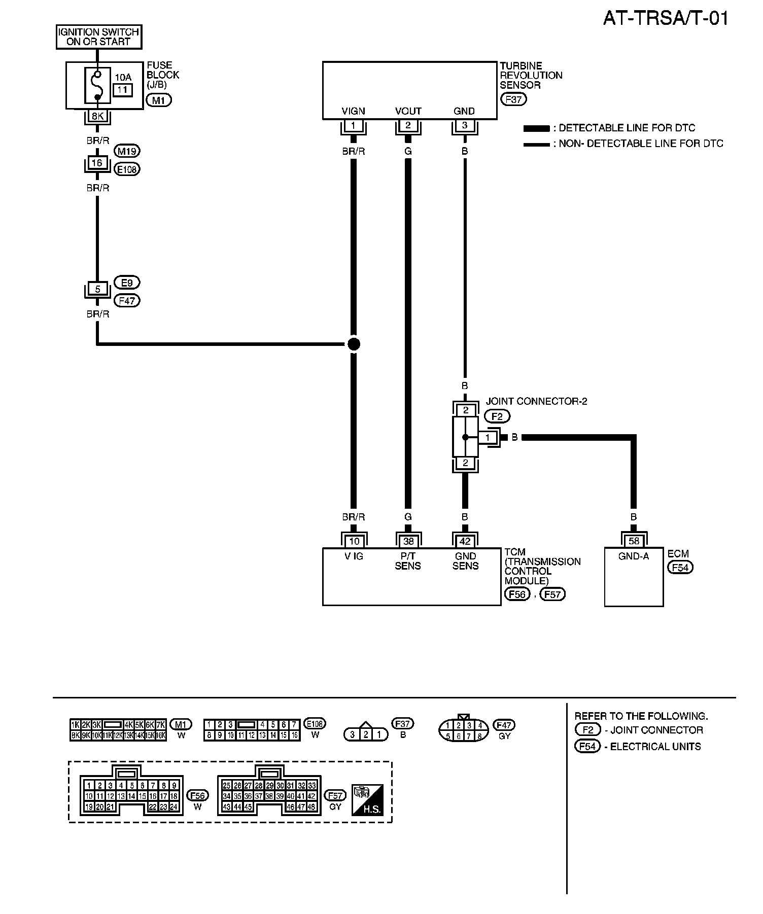
Wiring Diagram-AT-TRSA/T

Diagnostic Procedure
1. CHECK INPUT SIGNAL
With CONSULT-II
1. Start engine.
2. Select "TCM INPUT SIGNALS" in "DATA MONITOR" mode for"A/T" with CONSULT-II.





3. Read out the value of "TURBINE REF" while driving.
Check the value chances according to driving speed.

Without CONSULT-II
1. Start engine.





2. Check voltage between TCM terminal 38 and ground (measure in AC range).
OK or NG
OK >> GO TO 3.
NG >>GO TO 2.

2. DETECT MALFUNCTIONING ITEM
Check harness for short or open between TCM and turbine revolution sensor.
OK or NG
OK >> GO TO 3.
NG >> Repair or replace damaged parts.

3. CHECK DTC
Perform "DIAGNOSTIC TROUBLE CODE (DTC) CONFIRMATION, "DIAGNOSTIC TROUBLE CODE (DTC) CONFIRMATION PROCEDURE".
OK or NG
OK >> INSPECTION END.
NG >>GO TO 4.

4. CHECK TCM INSPECTION
1. Perform TCM input/output signal inspection.
2. If NG, recheck TCM pin terminal for damage or loose connection with harness connector.
OK or NG
OK >> INSPECTION END.
NG >> Repair or replace damaged parts.

Component Inspection
TURBINE REVOLUTION SENSOR








- Check resistance between terminals 1, 2 and 3.