Curiosii for ever!
: Car repair manuals for everyone.
Home
>>
Nissan-Datsun
>>
2002
>>
Sentra SE-R L4-2.5L (QR25DE)
>>
Repair and Diagnosis
>>
Powertrain Management
>>
Ignition System
>>
Diagrams
>>
Electrical Diagrams
Electrical Diagrams
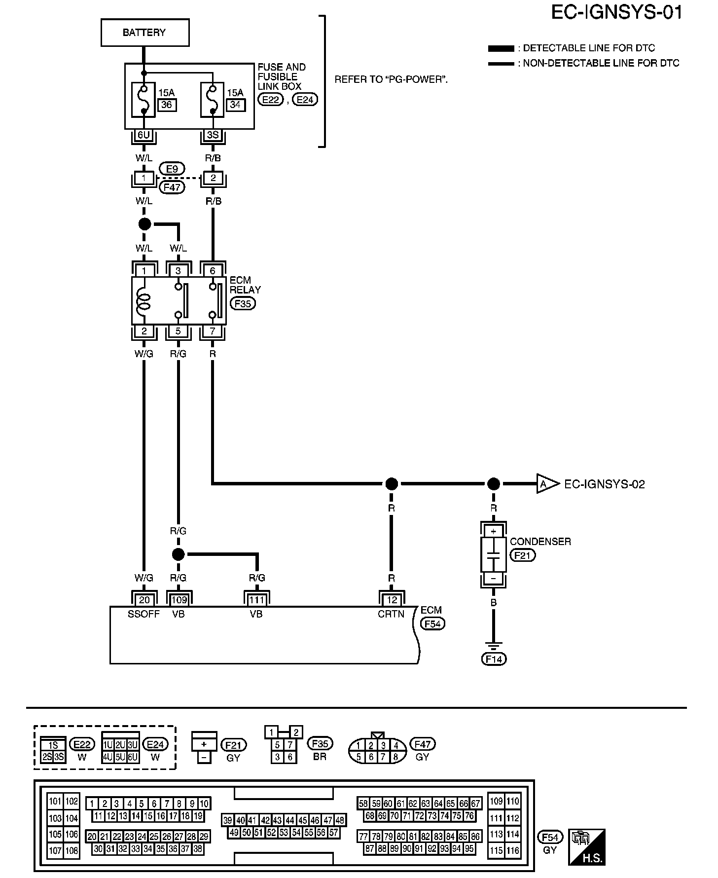
EC-IGNSYS-01:
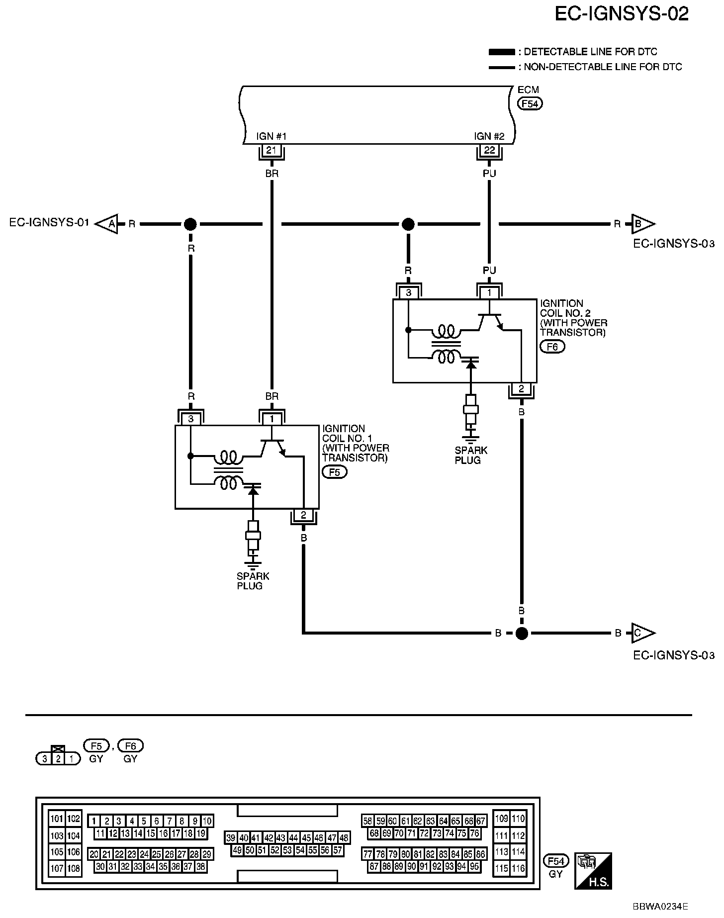
EC-IGNSYS-02:
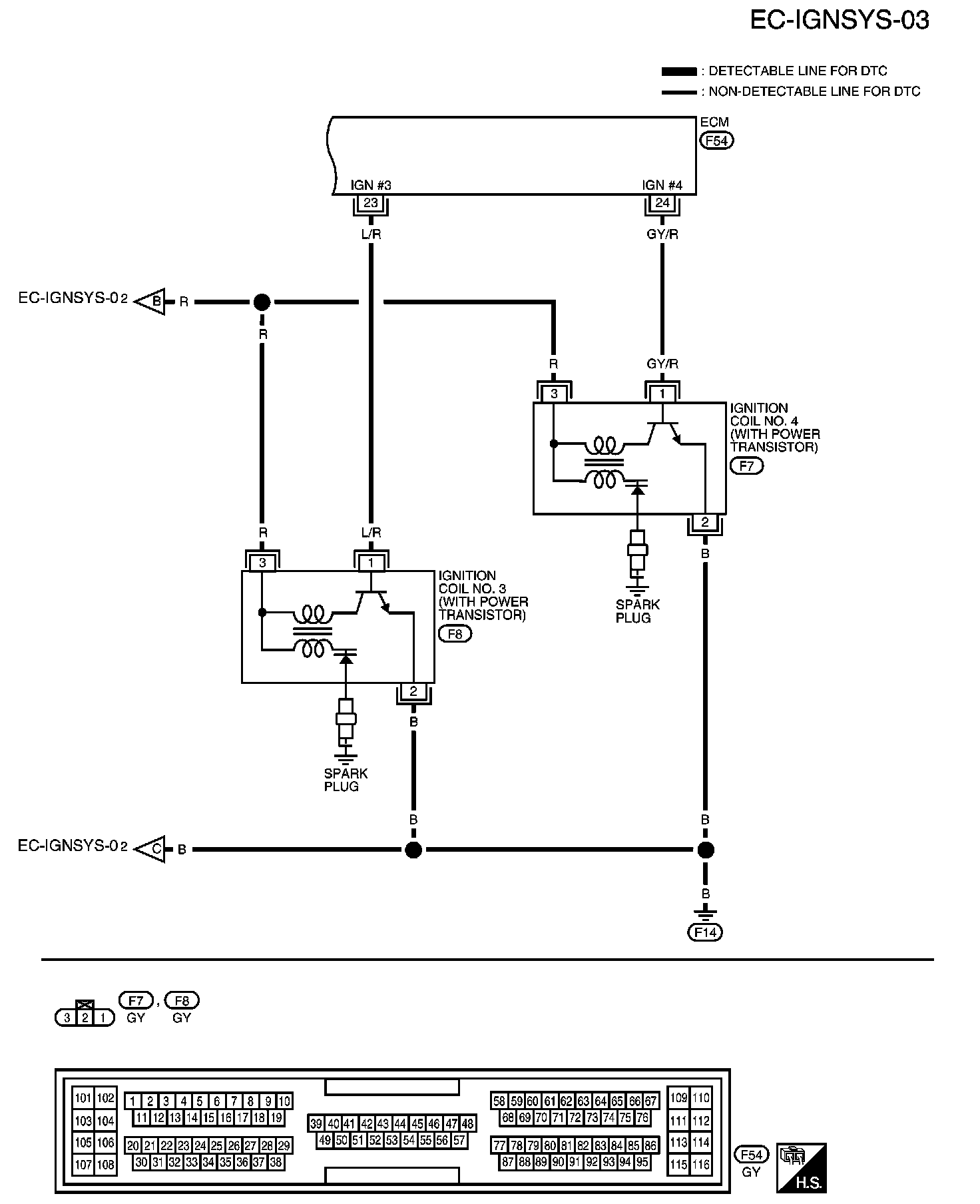
EC-IGNSYS-03: