Curiosii for ever!: Car repair manuals for everyone.

Component Tests and General Diagnostics

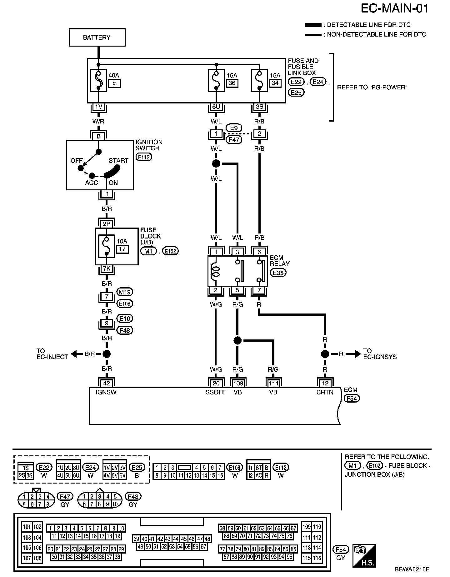
POWER SUPPLY CIRCUIT FOR ECM

EC-MAIN-01:







EC-MAIN-02:







Wiring Diagram

Step 1 - 3:




Step 4 - 7:




Step 8 - 10:




Step 11 - 15:







Diagnostic Procedure

Component Inspection







ECM RELAY
1. Apply 12V direct current between ECM relay terminals 1 and 2.
2. Check continuity between ECM relay terminals 3 and 5, 6 and 7.
3. If NG, replace ECM relay.