Curiosii for ever!
: Car repair manuals for everyone.
Home
>>
Nissan-Datsun
>>
2002
>>
Sentra SE-R L4-2.5L (QR25DE)
>>
Repair and Diagnosis
>>
Diagrams
>>
Electrical Diagrams
>>
Powertrain Management
>>
Computers and Control Systems
>>
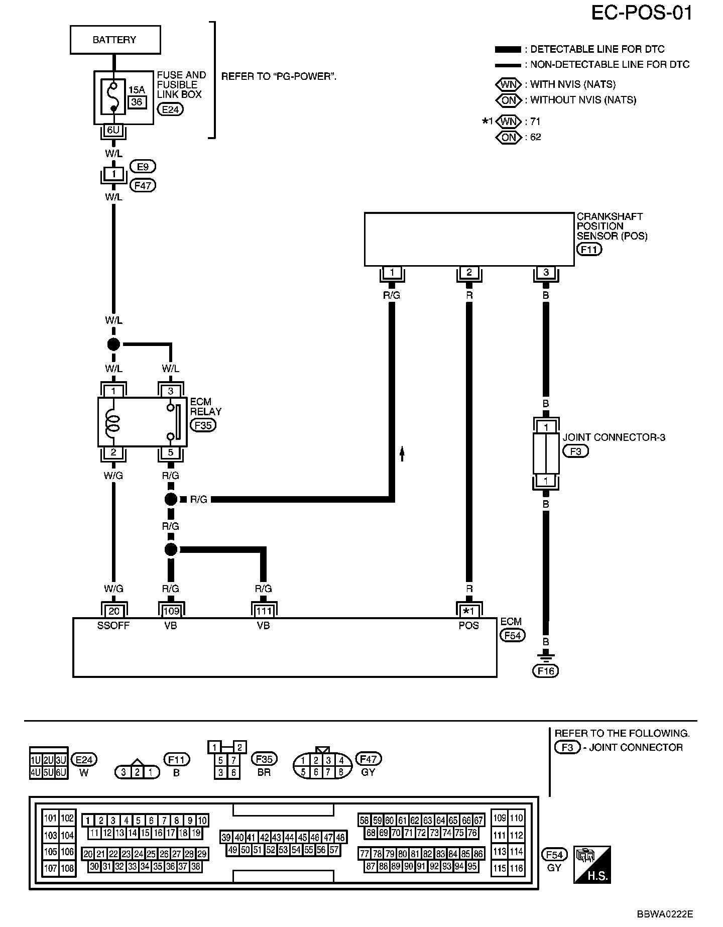
Crankshaft Position Sensor
Crankshaft Position Sensor
EC-POS-01: