Curiosii for ever!
: Car repair manuals for everyone.
Home
>>
Nissan-Datsun
>>
2002
>>
Sentra SE-R L4-2.5L (QR25DE)
>>
Repair and Diagnosis
>>
Diagrams
>>
Electrical Diagrams
>>
Map Light
Map Light
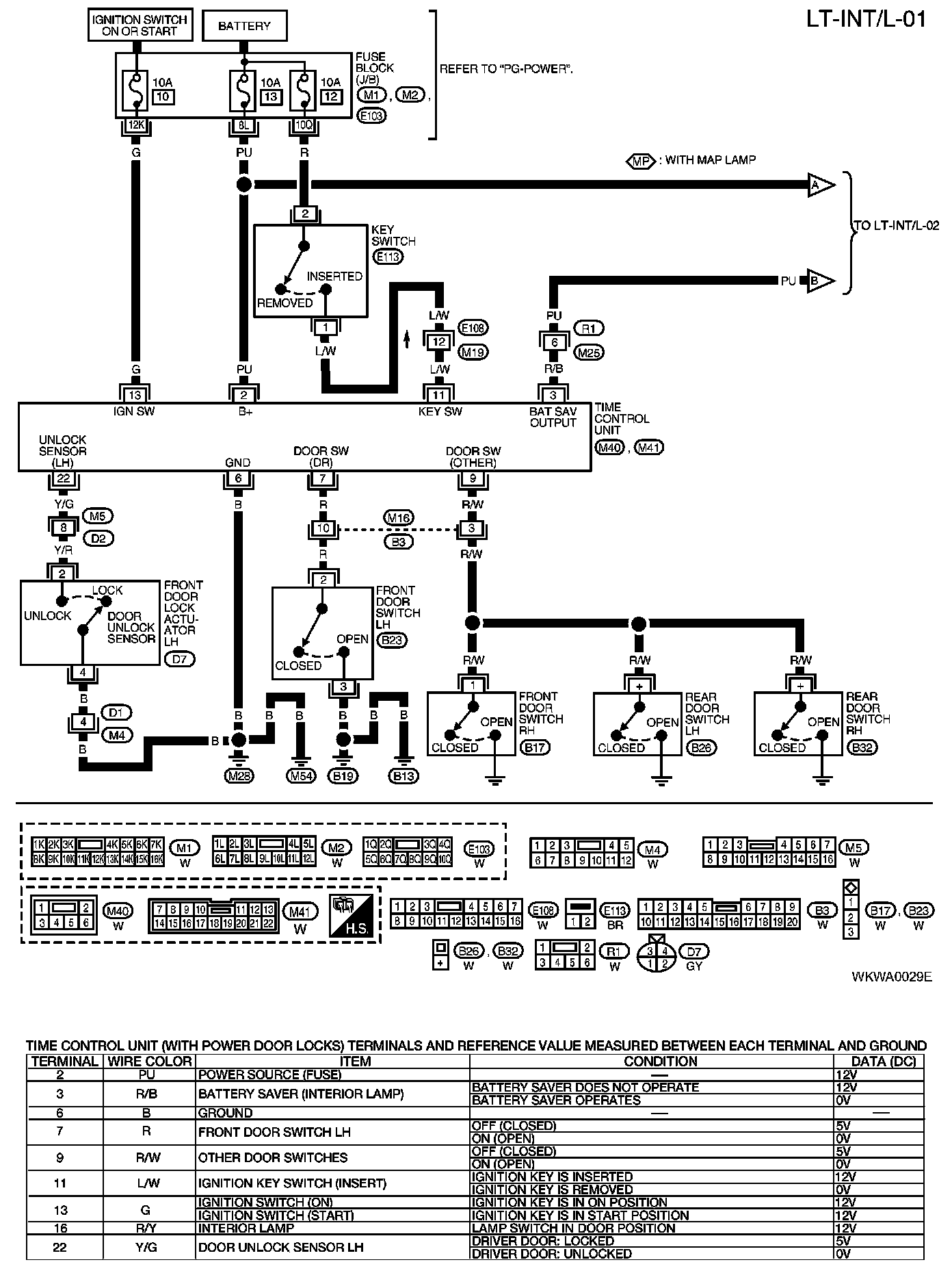
LT-INT/L-01 (With Power Door Locks And Without Remote Keyless Entry System):
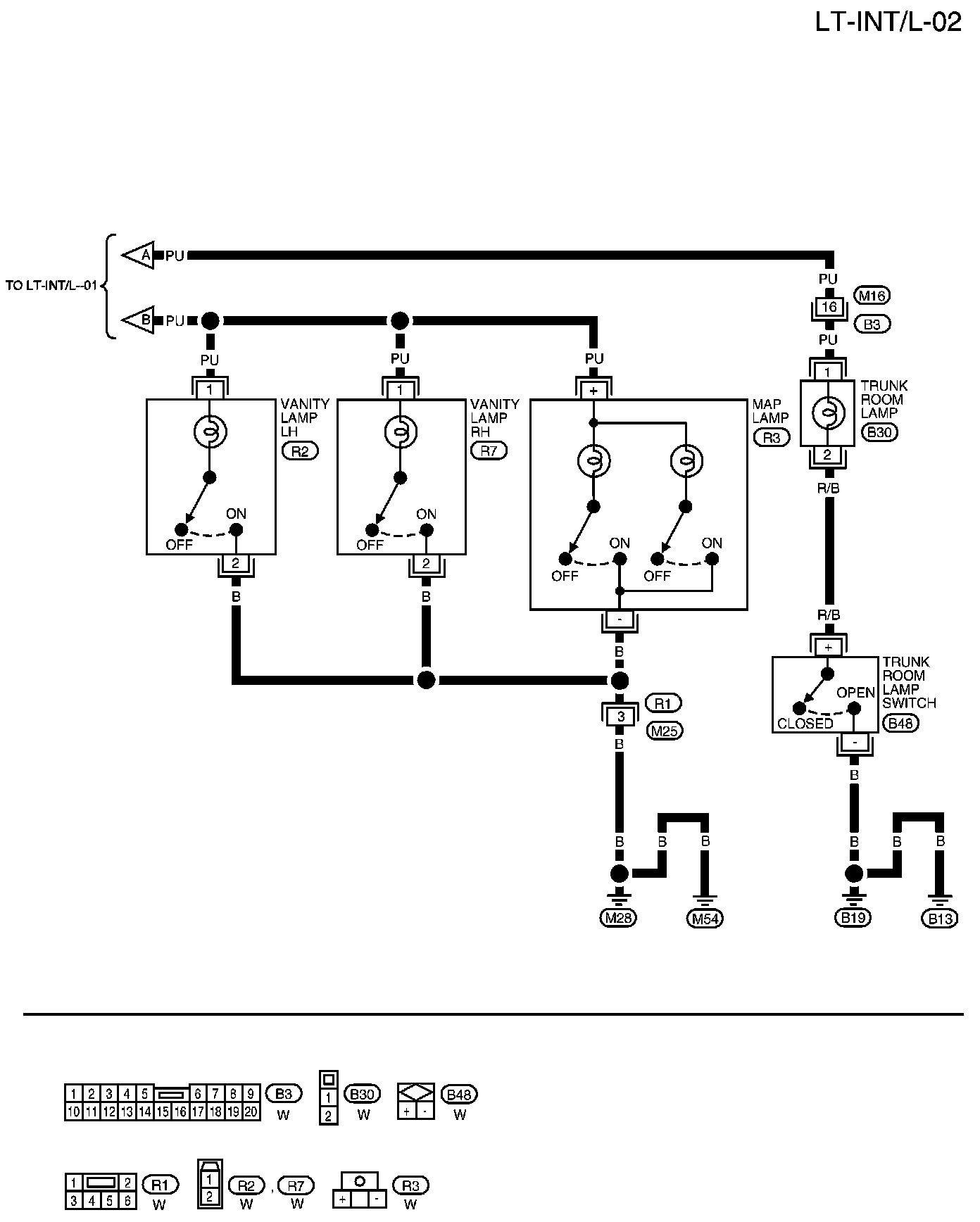
LT-INT/L-02 (With Power Door Locks And Without Remote Keyless Entry System):
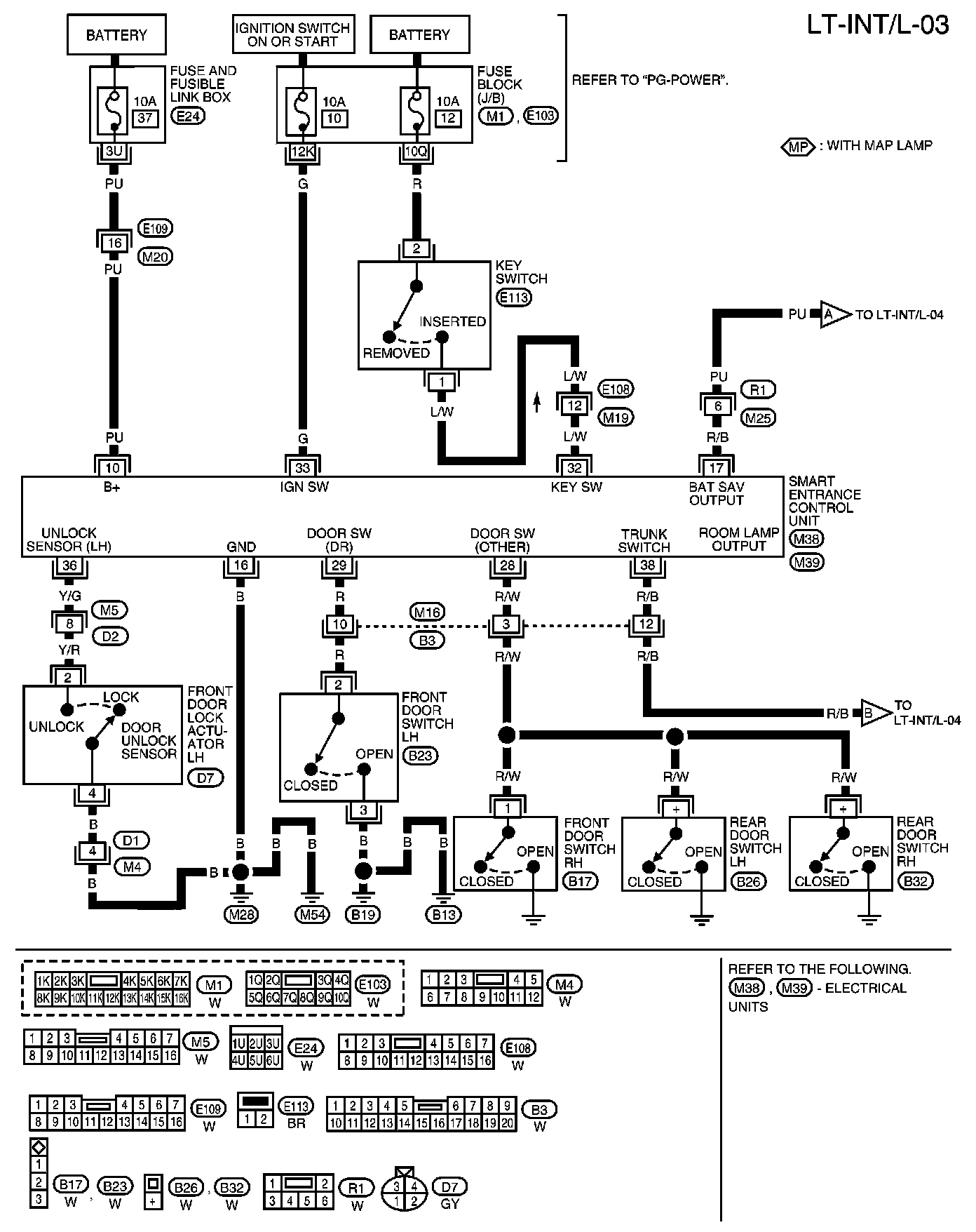
LT-INT/L-03 (With Remote Keyless Entry System):
LT-INT/L-04: