Curiosii for ever!
: Car repair manuals for everyone.
Home
>>
Nissan-Datsun
>>
2002
>>
Sentra SE-R L4-2.5L (QR25DE)
>>
Repair and Diagnosis
>>
Diagrams
>>
Electrical Diagrams
>>
Keyless Entry
Keyless Entry
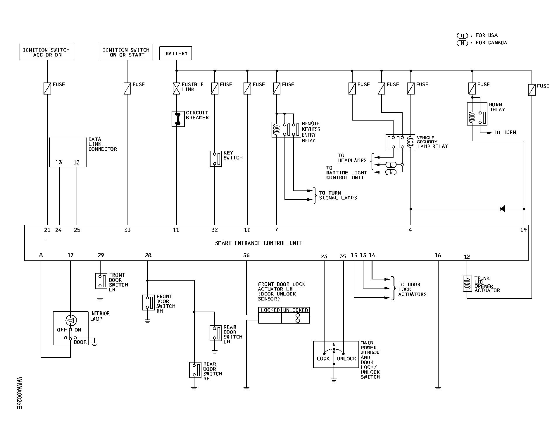
BL-KEYLES-01 / Schematic:
BL-KEYLES - Smart Entrance Control Unit Schematic Part 1:
BL-KEYLES-01:
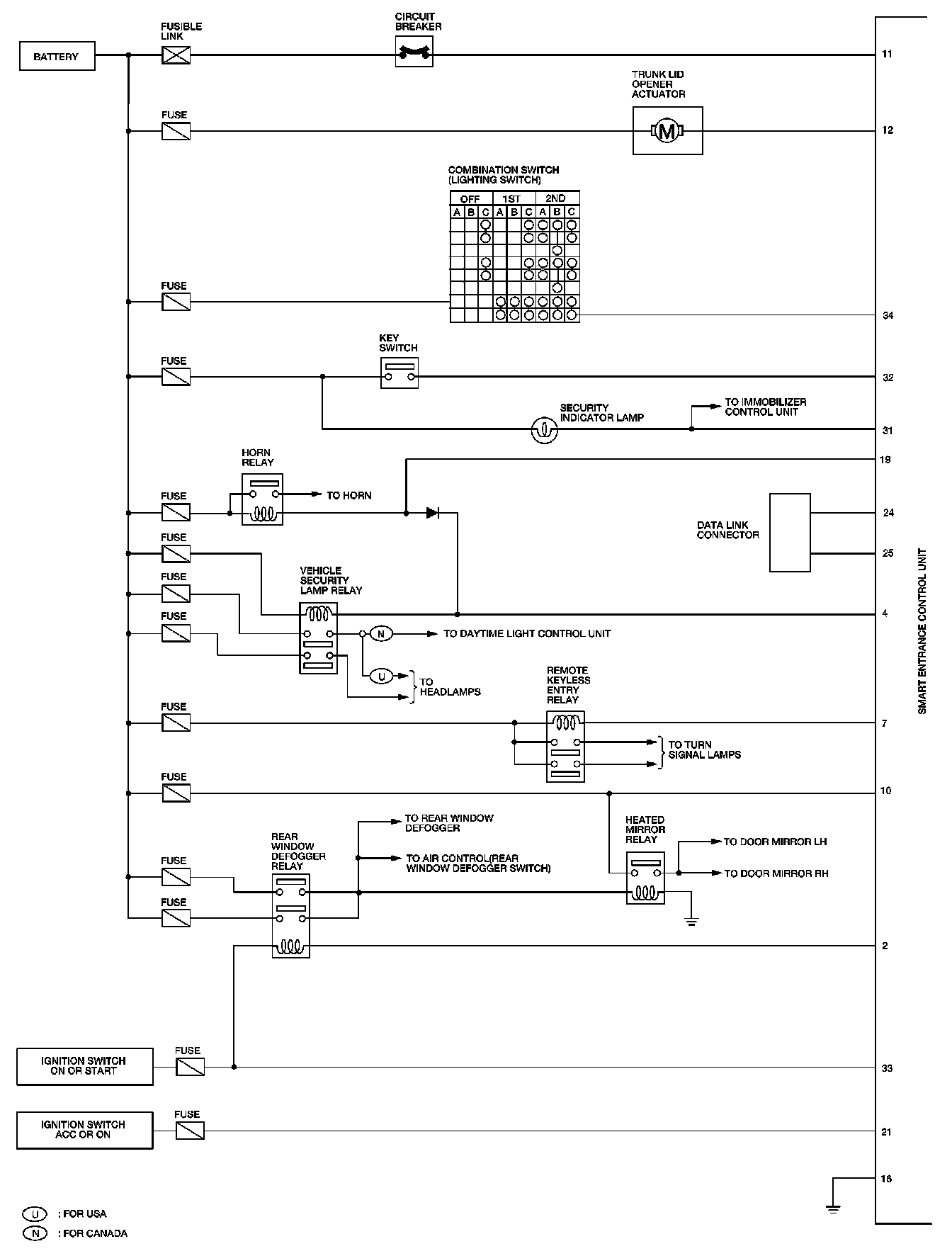
BL-KEYLES - Smart Entrance Control Unit Schematic Part 2:
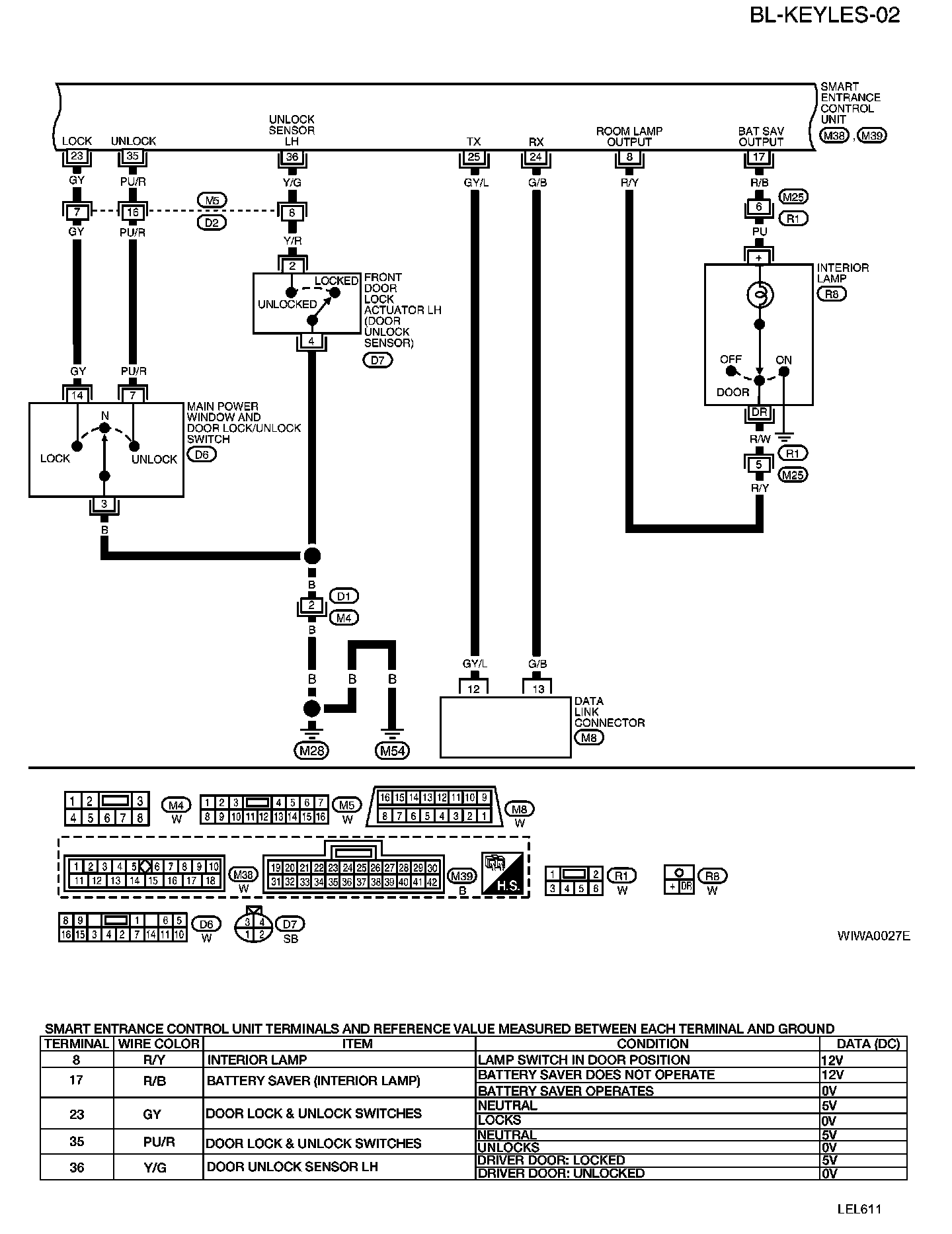
BL-KEYLES-02:
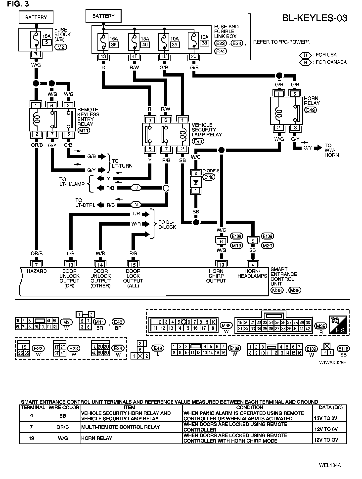
BL-KEYLES-03: