Curiosii for ever!
: Car repair manuals for everyone.
Home
>>
Nissan-Datsun
>>
2002
>>
Maxima GLE V6-3.5L (VQ35)
>>
Repair and Diagnosis
>>
Diagrams
>>
Electrical Diagrams
>>
Powertrain Management
>>
Computers and Control Systems
>>
Oxygen Sensor
>>
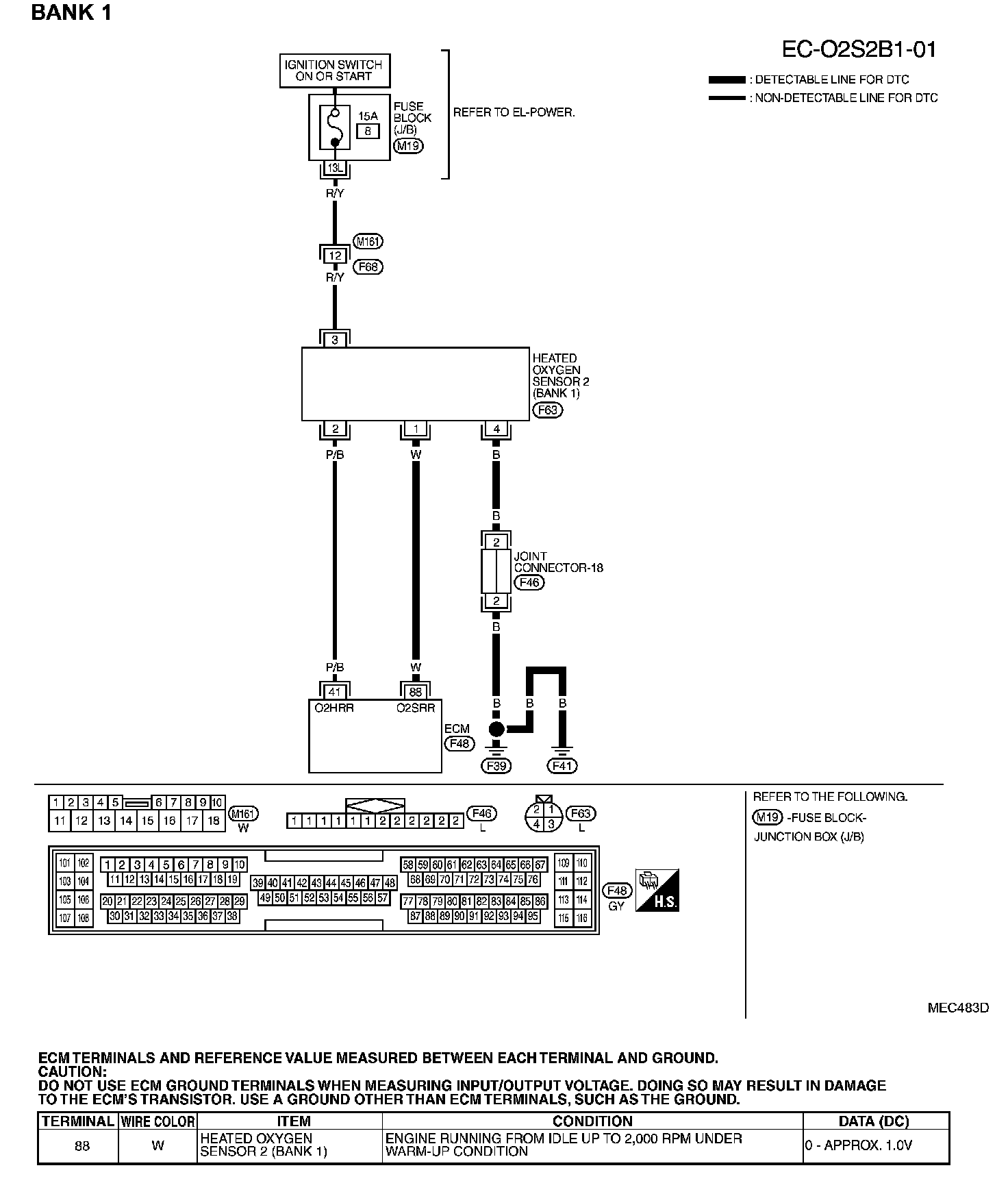
EC-O2S2B1
EC-O2S2B1
EC-O2S2B1-01: