Curiosii for ever!: Car repair manuals for everyone.

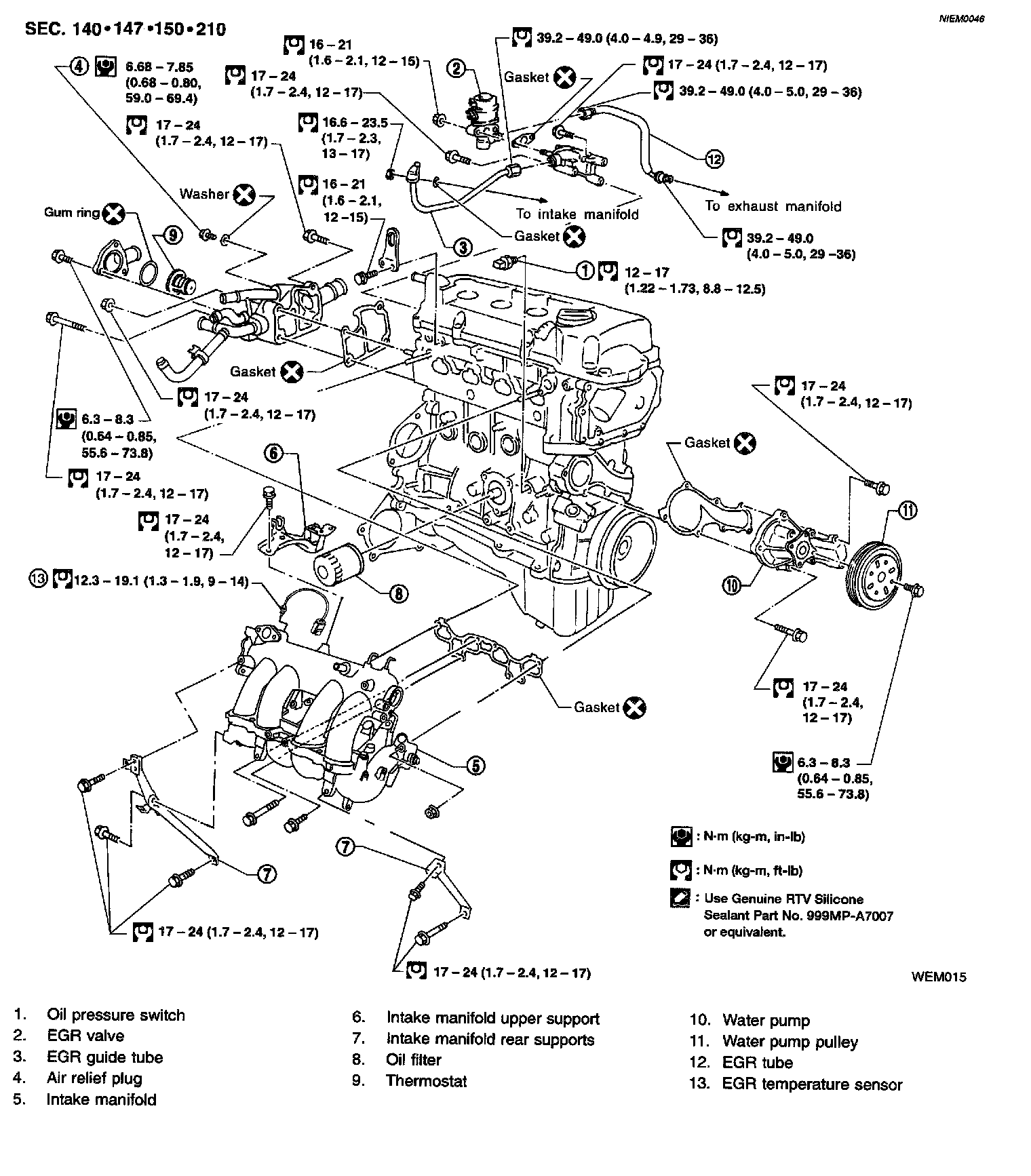
Intake Manifold

OUTER COMPONENT PARTS





Part 1 of 4





Part 2 of 4

Part 3 of 4





(Except Calif. CA Model)

Part 4 of 4

(Calif. CA Model)





CAUTION: If the Calif. CA Model's TWC (manifold three way catalyst) or ADS-TWC (adsorber pre-catalyst) replacement is necessary, always replace the TWC together with the ADS-TWC. Never replace these catalysts individually. The TWC and the ADS-TWC are only available together as a kit.