Curiosii for ever!
: Car repair manuals for everyone.
Home
>>
Nissan-Datsun
>>
1982
>>
210 L4-1237cc 1.2L (A12a)
>>
Repair and Diagnosis
>>
Heating and Air Conditioning
>>
Diagrams
>>
Exploded Views
Exploded Views
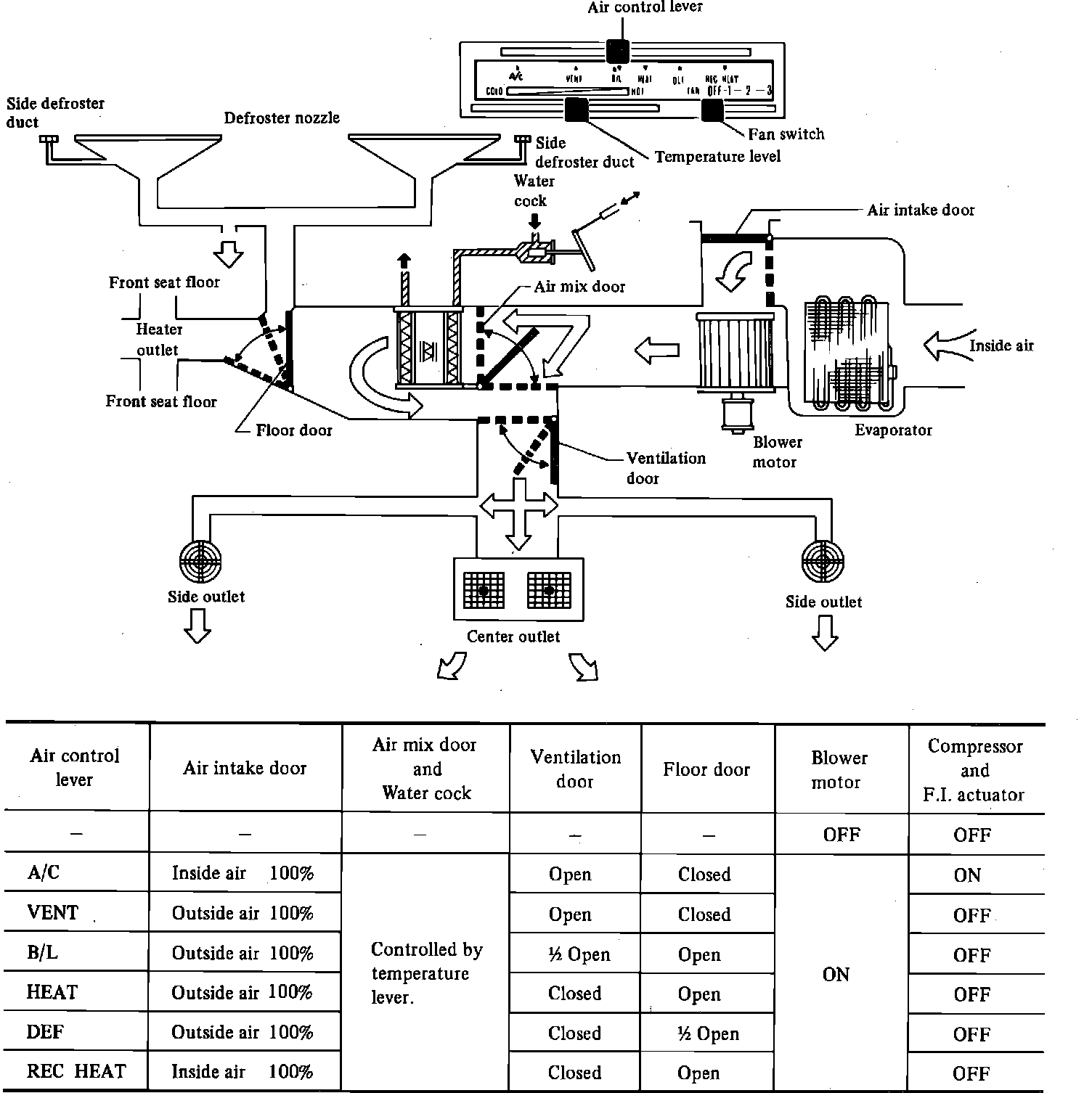
Fig. 1 Air flow & A/C operation:
Check that air is discharged from correct outlets as specified in the air flow and operation charts,
Fig. 1.