Curiosii for ever!
: Car repair manuals for everyone.
Home
>>
Nissan-Datsun
>>
1982
>>
210 L4-1237cc 1.2L (A12a)
>>
Repair and Diagnosis
>>
Heating and Air Conditioning
>>
Compressor HVAC
>>
Service and Repair
>>
Compressor Service
>>
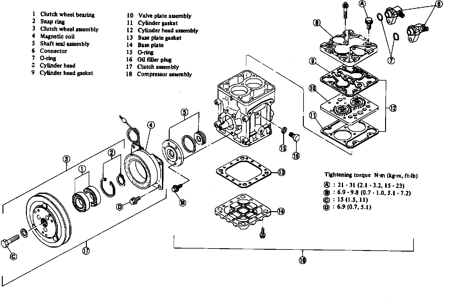
Exploded View
Exploded View
Fig. 2 Exploded view of York SC206 compressor: