Curiosii for ever!: Car repair manuals for everyone.

Inspection Procedure 27




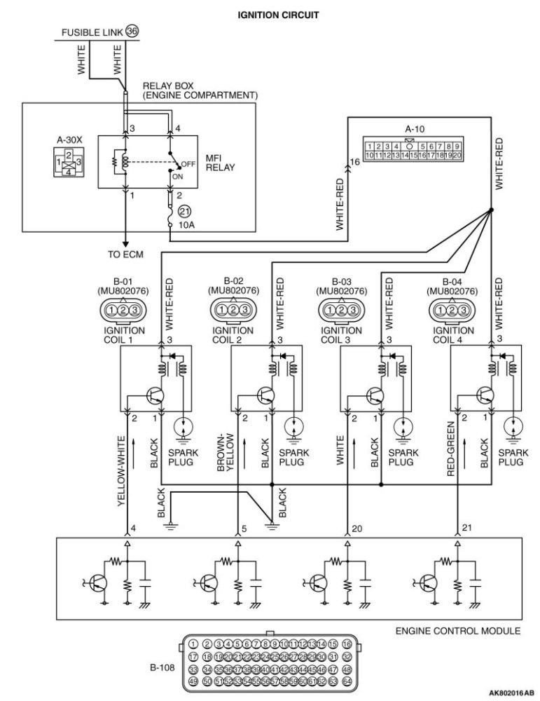
Inspection procedure 27: Ignition circuit system






















CIRCUIT OPERATION

- The battery positive voltage is applied from the MFI relay (terminal No. 2) to the ignition coil (terminal No. 3) and is grounded to the vehicle body via the ignition coil (terminal No. 1).

- A power voltage of 5 V is applied to the ignition coil (terminal No. 2) from the ECM (terminal No. 4, No. 5, No. 20 and No. 21).

COMMENT

- When the ECM turn the power transistor in the unit to OFF, the battery positive voltage is applied to the power transistor in the ignition coil, resulting that the power transistor is ON. And, when the ECM turns the power transistor in the unit to ON, the power transistor in the ignition coil will be turned OFF.

- When the power transistor in the ignition coil is turned to ON with any signal from the ECM, the primary voltage will be applied through the ignition coil. When the power transistor in the ignition coil is turned OFF, the primary current is blocked and high voltage is generated in the secondary coil.

TROUBLESHOOTING HINTS (The most likely causes for this case:)

- Ignition coil failed.

- Open or shorted ignition circuit, harness damage or connector damage.

- ECM failed.

DIAGNOSIS

Required Special Tool:

- MB9919658: Test Harness

STEP 1. Check harness connector B-01, B-02, B-03 and B-04 at ignition coil for damage.

Q. Are the harness connectors in good condition?

YES Go to Step 2.
NO Repair or replace them. Harness Connector Inspection.
Then confirm that the malfunction symptom is eliminated.
STEP 2. Check the ignition coil.

Testing and Inspection.

Q. Are there any abnormalities?

YES Replace the ignition coil. Then confirm that the malfunction symptom is eliminated.
NO Go to Step 3.
STEP 3. Measure the power supply voltage at ignition coil harness side connectors B-01, B-02, B-03 and B-04.

(1)Disconnect the connectors B-01, B-02, B-03 and B-04 and measure at the harness side.

(2)Turn the ignition switch to the "ON" position.





(3)Measure the voltage between terminal No. 3 and ground.

- Voltage should be battery positive voltage.
(4)Turn
the ignition switch to the "LOCK" (OFF) position.

Q. Is battery positive voltage (approximately 12 volts) present?

YES Go to Step 5.

NO Go to Step 4.

STEP 4. Check harness connector A-30X at MFI relay for damage.

Q. Is the harness connector in good condition?

YES Check harness connector A-10 at intermediate connector for damage, and repair or replace as required. Harness Connector Inspection.
If intermediate connector is in good condition, repair harness wire between MFI relay connector A-30X (terminal No. 2) and ignition coil connectors B-01, B-02, B-03 and B-04 (terminal No. 3) because of open circuit or short circuit to ground. Then confirm that the malfunction symptom is eliminated.
NO Repair or replace it. Harness Connector Inspection.
Then confirm that the malfunction symptom is eliminated.
STEP 5. Check the circuit at ignition coil harness side connector B-01, B-02, B-03 and B-04.

(1)Disconnect the ignition coil connectors B-01, B-02, B-03 and B-04 and connect test harness special tool MB991658 between the separated connector (All terminals should be connected).

(2)Engine: 3,000 r/min





(3)Measure the voltage between terminal No. 2 and ground.

- Voltage should be between 0.3 and 3.0 volts.
(4)Turn
the ignition switch to the "LOCK" (OFF) position.

Q. Is the measured voltage between 0.3 and 3.0 volts?

YES Go to Step 8.

NO Go to Step 6.

STEP 6. Check harness connector B-108 at ECM for damage.

Q. Is the harness connector in good condition?

YES Go to Step 7.
NO Repair or replace it. Harness Connector Inspection.
Then confirm that the malfunction symptom is eliminated.
STEP 7. Check for open circuit and short circuit to ground between ignition coil connector and ECM connector.

1. Check the harness wire between ignition coil connector B-01 (terminal No. 2) and ECM connector B-108 (terminal No. 4) at ignition coil 1.

2. Check the harness wire between ignition coil connector B-02 (terminal No. 2) and ECM connector B-108 (terminal No. 5) at ignition coil 2.

3. Check the harness wire between ignition coil connector B-03 (terminal No. 2) and ECM connector B-108 (terminal No. 20) at ignition coil 3.

4. Check the harness wire between ignition coil connector B-04 (terminal No. 2) and ECM connector B-108 (terminal No. 21) at ignition coil 4.

Q. Are the harness wires in good condition?

YES Replace the ECM (Refer to, Removal and Installation Removal and Replacement).
Then confirm that the malfunction symptom is eliminated.
NO Repair them. Then confirm that the malfunction symptom is eliminated.
STEP 8. Check the continuity at ignition coil harness side connector B-01, B-02, B-03 and B-04.

(1)Disconnect the connectors B-01, B-02, B-03 and B-04 and measure at the harness side.





(2)Check for the continuity between terminal No. 1 and ground.

- Continuity (2 ohms or less).

Q. Does continuity exist?

YES Go to Step 9.

NO Repair harness wire between ignition coil connectors B-01, B-02, B-03 and B-04
(terminal No. 1) and ground because of open circuit or harness damage. Then confirm that the malfunction symptom is eliminated.

STEP 9. Check harness connector A-30X at MFI relay for damage.

Q. Is the harness connector in good condition?

YES Go to Step 10.
NO Repair or replace it. Harness Connector Inspection.
Then confirm that the malfunction symptom is eliminated.
STEP 10. Check for harness damage between MFI relay connector A-30X
(terminal No. 2) and ignition coil connector B-01, B-02, B-03 and B-04 (terminal No. 3)


NOTE:
Check harness after checking intermediate connector A-10. If intermediate connector is damaged, repair or replace it. Harness Connector Inspection. Then confirm that the malfunction symptom is eliminated.

Q. Is the harness wire in good condition?

YES Go to Step 11.
NO Repair it. Then confirm that the malfunction symptom is eliminated.
STEP 11. Check harness connector B-108 at ECM for damage.

Q. Is the harness connector in good condition?

YES Go to Step 12.
NO Repair or replace it. Harness Connector Inspection.
Then confirm that the malfunction symptom is eliminated.
STEP 12. Check for harness damage between ignition coil connector and ECM connector.

5. Check the harness wire between ignition coil connector B-01 (terminal No. 2) and ECM connector B-108 (terminal No. 4) at ignition coil 1.

6. Check the harness wire between ignition coil connector B-02 (terminal No. 2) and ECM connector B-108 (terminal No. 5) at ignition coil 2.

7. Check the harness wire between ignition coil connector B-03 (terminal No. 2) and ECM connector B-108 (terminal No. 20) at ignition coil 3.

8. Check the harness wire between ignition coil connector B-04 (terminal No. 2) and ECM connector B-108 (terminal No. 21) at ignition coil 4.

Q. Are the harness wires in good condition?

YES Replace the ECM (Refer to, Removal and Installation Removal and Replacement).
Then confirm that the malfunction symptom is eliminated.
NO Repair them. Then confirm that the malfunction symptom is eliminated.